Запчасти Komatsu WA350-1 ПОГРУЗ. И НАСОС РУЛЕВ. УПРАВЛ-Я (/)(№-) УПРАВЛ-Е РАБОЧИМ ОБОРУДОВАНИЕМ

Схема запчастей Komatsu WA350-1 - ПОГРУЗ. И НАСОС РУЛЕВ. УПРАВЛ-Я (/)(№-) УПРАВЛ-Е РАБОЧИМ ОБОРУДОВАНИЕМ
FIT
1:1
100%

Артикул

Название

Примечание

Количество

|1

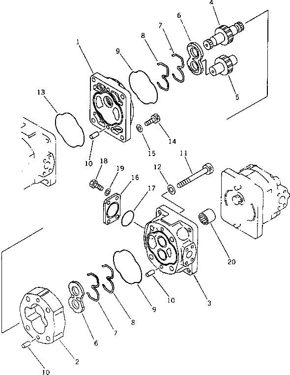
705-56-34130

PUMP ASS'Y,(SAR63+56+36)

SN: 20001-UP

1шт.

|1

705-12-35340

PUMP ASS'Y,(SAR56)

SN: 20001-UP

1шт.

1

0

BRACKET

SN: 20001-UP

1шт.

|1

0

BUSHING,PLANE

SN: 20001-UP

2шт.

2

0

CASE,GEAR

SN: 20001-UP

1шт.

3

0

CARRIER

SN: 20001-UP

1шт.

|3

0

BUSHING,PLANE

SN: 20001-UP

2шт.

4

0

GEAR,DRIVE

SN: 20001-UP

1шт.

5

0

GEAR,DRIVEN

SN: 20001-UP

1шт.

6

0

PLATE,SIDE

SN: 20001-UP

2шт.

7

0

RING,BACK-UP

SN: 20001-UP

2шт.

8

0

SEAL,RING

SN: 20001-UP

2шт.

9

0

O-RING

SN: 20001-UP

2шт.

10

0

PIN,DOWEL

SN: 20001-UP

6шт.

11

0

BOLT

SN: 20001-UP

4шт.

12

0

WASHER

SN: 20001-UP

4шт.

13

705-17-03381

O-RING

SN: 20001-UP

1шт.

14

705-17-03370

BOLT

SN: 20001-UP

4шт.

15

705-17-04980

WASHER

SN: 20001-UP

4шт.

16

705-17-03880

PLATE

SN: 20001-UP

1шт.

17

07000-32055

O-RING

SN: 20001-UP

1шт.

18

01010-51230

BOLT

SN: 20001-UP

4шт.

19

01643-51232

WASHER

SN: 20001-UP

4шт.

20

705-17-03330

COUPLING

SN: 20001-UP

1шт.

Выбрано товаров: 24