Запчасти Komatsu WA350-1 УПРАВЛ. НАВЕСН. ОБОРУД. МЕХАНИЗМ(№-) УПРАВЛ-Е РАБОЧИМ ОБОРУДОВАНИЕМ

Схема запчастей Komatsu WA350-1 - УПРАВЛ. НАВЕСН. ОБОРУД. МЕХАНИЗМ(№-) УПРАВЛ-Е РАБОЧИМ ОБОРУДОВАНИЕМ
FIT
1:1
100%

Артикул

Название

Примечание

Количество

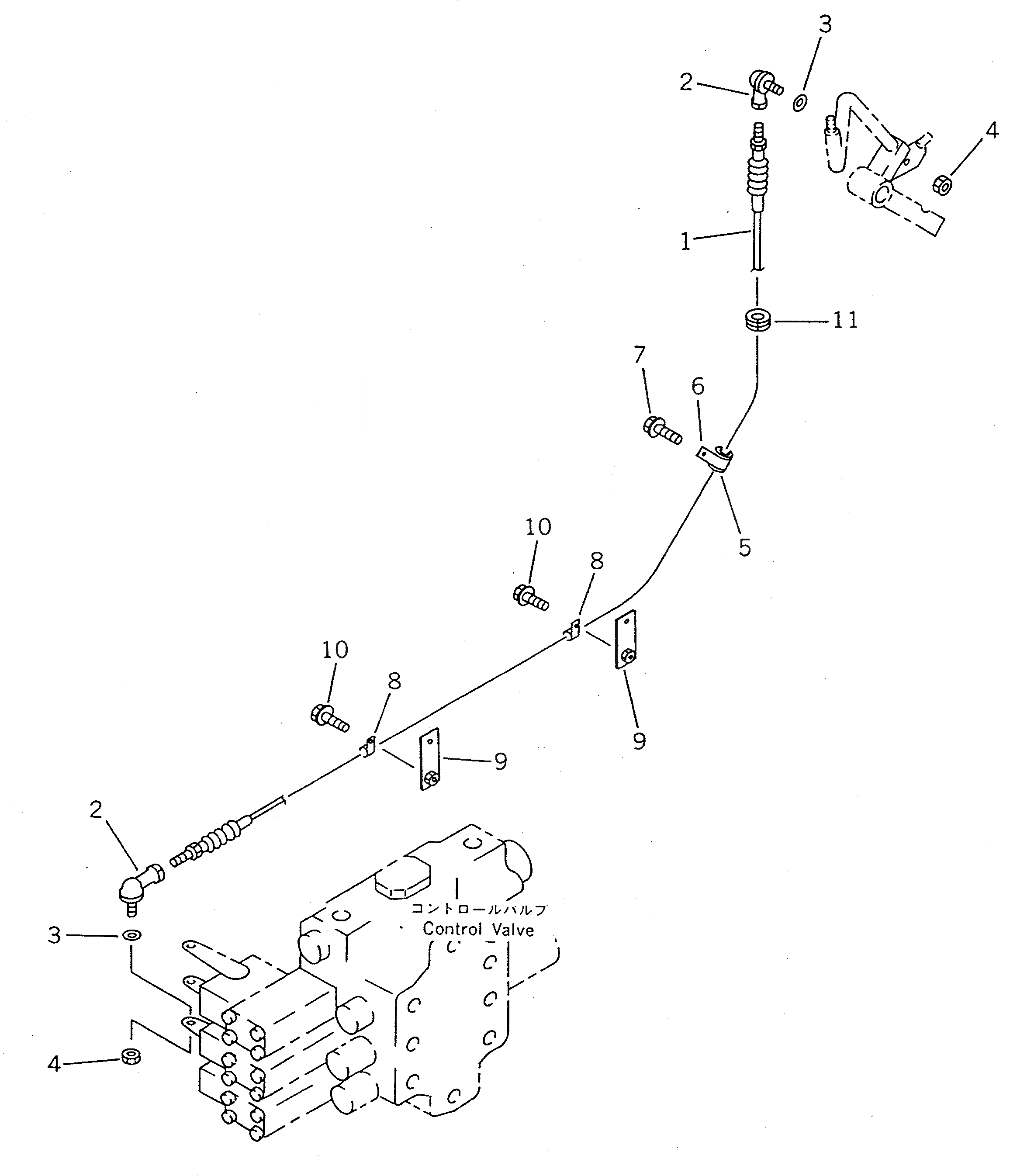
1

423-43-18231

CABLE

SN: 20001-UP

1шт.

2

423-43-18220

JOINT

SN: 20001-UP

2шт.

3

01643-31032

WASHER

SN: 20001-UP

2шт.

4

426-09-11160

NUT

SN: 20001-UP

2шт.

5

423-43-18440

GROMMET

SN: 20001-UP

1шт.

6

423-06-12640

CLIP

SN: 20001-UP

1шт.

7

01435-01016

BOLT

SN: 20001-UP

1шт.

8

423-06-12640

CLIP

SN: 20001-UP

2шт.

9

423-877-1540

BRACKET

SN: 20001-UP

2шт.

10

01435-01020

BOLT

SN: 20001-UP

2шт.

11

423-43-18430

GROMMET

SN: 20001-UP

1шт.

Выбрано товаров: 0