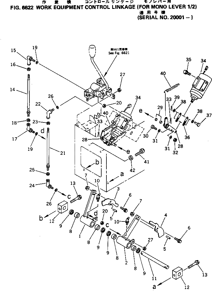
Запчасти Komatsu WA350-1 МЕХ-М УПРАВЛ-Я РАБОЧ. ОБОРУД-EM (ДЛЯ MONO РЫЧАГ /)(№-) УПРАВЛ-Е РАБОЧИМ ОБОРУДОВАНИЕМ

Схема запчастей Komatsu WA350-1 - МЕХ-М УПРАВЛ-Я РАБОЧ. ОБОРУД-EM (ДЛЯ MONO РЫЧАГ /)(№-) УПРАВЛ-Е РАБОЧИМ ОБОРУДОВАНИЕМ
FIT
1:1
100%

Артикул

Название

Примечание

Количество

1

424-V91-1150

LEVER,LIFT

SN: 20001-UP

1шт.

2

424-V91-1160

LEVER,DUMP

SN: 20001-UP

1шт.

3

423-43-18142

PLATE,(FOR LIFT CONTROL)

SN: 20001-UP

1шт.

4

423-43-18131

PLATE,(FOR DUMP CONTROL)

SN: 20001-UP

1шт.

5

04020-00616

PIN,DOWEL

SN: 20001-UP

4шт.

6

01435-00825

BOLT

SN: 20001-UP

2шт.

7

01584-00806

NUT

SN: 20001-UP

2шт.

8

06120-02016

BEARING

SN: 20001-UP

4шт.

9

06122-02004

SEAL,BEARING

SN: 20001-UP

4шт.

10

07020-00675

FITTING,GREASE

SN: 20001-UP

2шт.

11

424-V91-1170

SHAFT

SN: 20001-UP

1шт.

12

419-43-18150

PLATE

SN: 20001-UP

2шт.

13

01435-01070

BOLT

SN: 20001-UP

2шт.

14

04248-30828

ROD

SN: 20001-UP

1шт.

15

417-09-12150

JOINT

SN: 20001-UP

1шт.

16

01508-20805

NUT

SN: 20001-UP

1шт.

17

417-09-12130

JOINT

SN: 20001-UP

1шт.

18

01580-10806

NUT

SN: 20001-UP

1шт.

19

01643-30823

WASHER

SN: 20001-UP

2шт.

20

426-09-11140

NUT

SN: 20001-UP

2шт.

21

421-43-18890

ROD

SN: 20001-UP

1шт.

22

04256-50618

JOINT

SN: 20001-UP

1шт.

23

01508-20603

NUT

SN: 20001-UP

1шт.

24

04256-40618

JOINT,BALL

SN: 20001-UP

1шт.

25

01580-10605

NUT

SN: 20001-UP

1шт.

26

01643-30623

WASHER

SN: 20001-UP

2шт.

27

426-09-11130

NUT

SN: 20001-UP

2шт.

|28

425-43-18320

LEVER ASS'Y

SN: 20001-UP

2шт.

28

425-43-18291

LEVER

SN: 20001-UP

1шт.

29

421-43-18850

BUSHING

SN: 20001-UP

2шт.

30

421-43-18711

BEARING

SN: 20001-UP

2шт.

31

01643-30623

WASHER

SN: 20001-UP

4шт.

32

426-09-11130

NUT

SN: 20001-UP

2шт.

33

04050-13022

PIN,COTTER

SN: 20001-UP

2шт.

34

421-06-11542

SOLENOID

SN: 20001-UP

2шт.

|34

421-06-11470

BOOT

SN: 20001-UP

1шт.

35

01435-00616

BOLT

SN: 20001-UP

8шт.

36

425-43-18140

PLATE

SN: 20001-UP

4шт.

37

04205-10620

PIN

SN: 20001-UP

4шт.

38

01641-20608

WASHER

SN: 20001-UP

8шт.

39

04050-11610

PIN,COTTER

SN: 20001-UP

4шт.

40

234-885-1690

SPRING

SN: 20001-UP

2шт.

41

423-43-18580

BOLT

SN: 20001-UP

4шт.

42

01580-10806

NUT

SN: 20001-UP

4шт.

Выбрано товаров: 44