Запчасти Komatsu WA350-1 ЗАДН. РАМА И СУППОРТЫ КАБИНЫ(ДЛЯ КАБИНА ДЛЯ 2 ЧЕЛ.)(№-9999) СПЕЦ. APPLICATION ЧАСТИ

Схема запчастей Komatsu WA350-1 - ЗАДН. РАМА И СУППОРТЫ КАБИНЫ(ДЛЯ КАБИНА ДЛЯ 2 ЧЕЛ.)(№-9999) СПЕЦ. APPLICATION ЧАСТИ
FIT
1:1
100%

Артикул

Название

Примечание

Количество

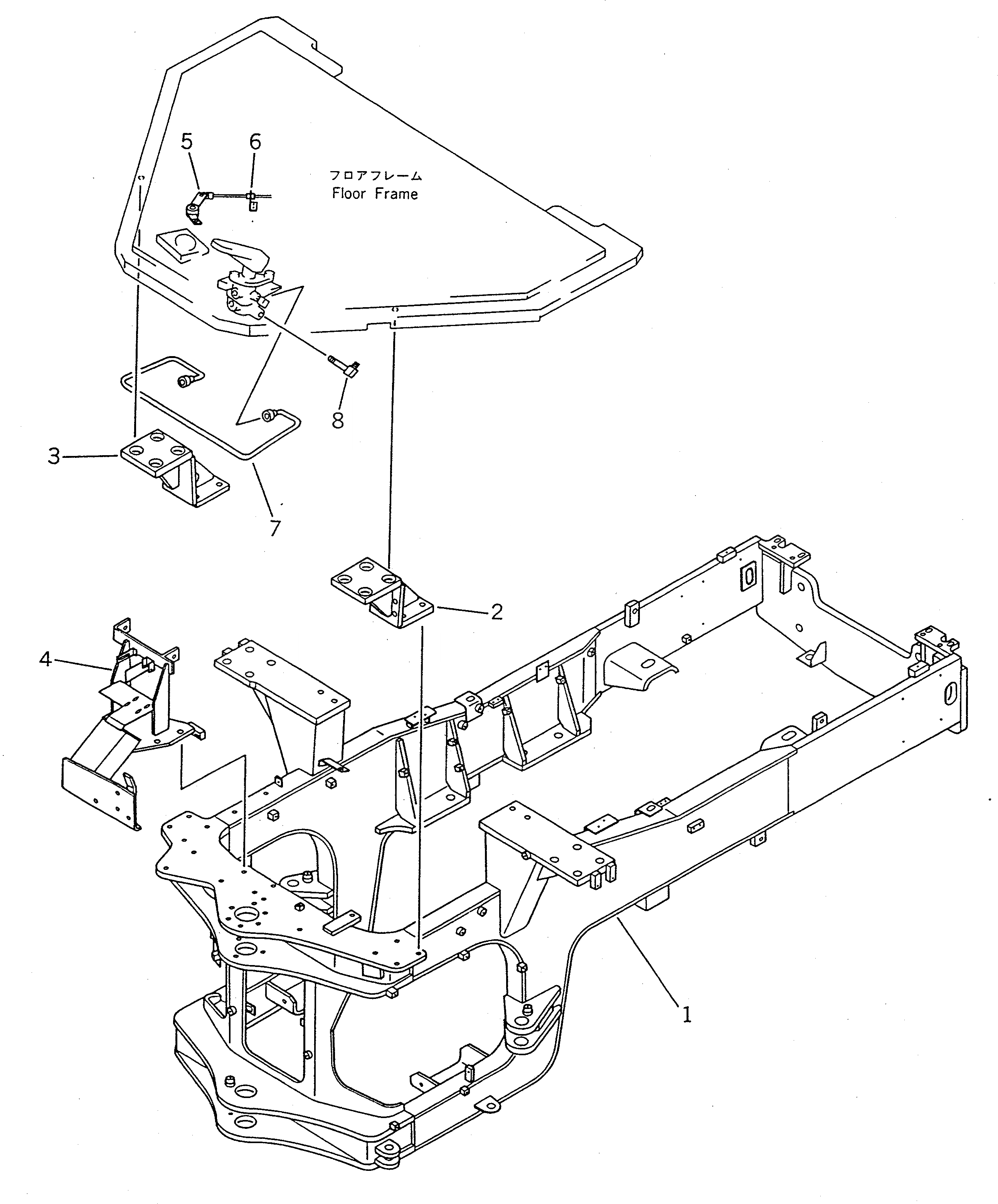
1

423-944-1810

FRAME,REAR (MODIFIED PART)

SN: 10001-19999

1шт.

2

423-944-1840

BRACKET,L.H.

SN: 10001-19999

1шт.

3

423-944-1850

BRACKET,R.H.

SN: 10001-19999

1шт.

4

423-944-1780

BRACKET,(MODIFIED PART)

SN: 10001-19999

1шт.

5

423-944-1740

LEVER

SN: 10001-19999

1шт.

6

423-944-1750

BRACKET

SN: 10001-19999

1шт.

7

423-944-1710

TUBE

SN: 10001-19999

1шт.

8

423-944-1730

ELBOW

SN: 10001-19999

1шт.

Выбрано товаров: 8