Запчасти Komatsu WA350-1 ПОГРУЗ. METER (ПЕРЕДН.) (/)(№-) КОМПОНЕНТЫ ДВИГАТЕЛЯ И ЭЛЕКТРИКА

Схема запчастей Komatsu WA350-1 - ПОГРУЗ. METER (ПЕРЕДН.) (/)(№-) КОМПОНЕНТЫ ДВИГАТЕЛЯ И ЭЛЕКТРИКА
FIT
1:1
100%

Артикул

Название

Примечание

Количество

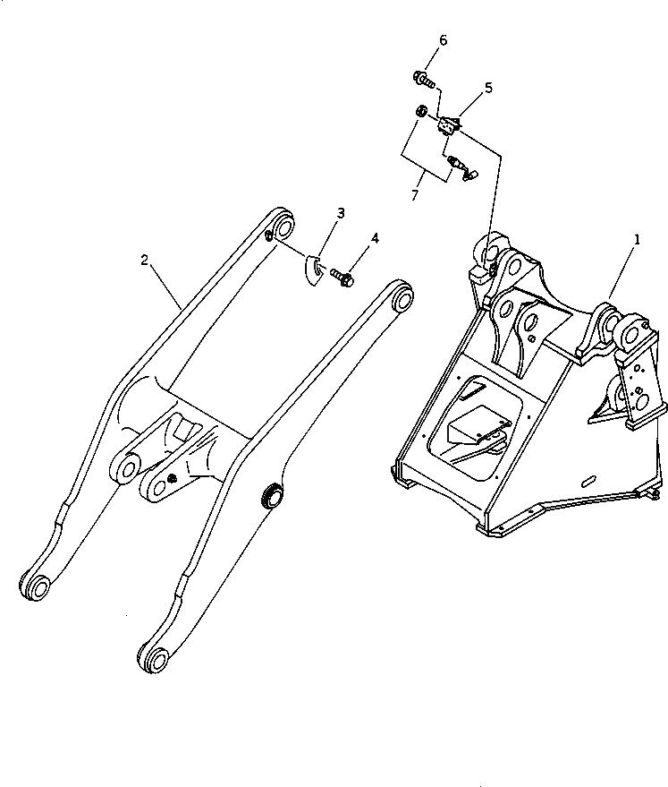
1

423-U94-1511

FRAME,FRONT (MODIFIED PARTS)

SN: 20001-UP

1шт.

2

423-U94-1551

ARM,LIFT (MODIFIED PARTS)

SN: 20001-UP

1шт.

3

421-U94-1240

PLATE

SN: 20001-UP

1шт.

4

01435-01225

BOLT

SN: 20001-UP

2шт.

5

421-U94-1230

PLATE

SN: 20001-UP

1шт.

6

01435-01225

BOLT

SN: 20001-UP

2шт.

7

421-06-11165

SWITCH

SN: 20001-UP

1шт.

Выбрано товаров: 7