Запчасти Komatsu WA350-1 МАРКИРОВКА (ЯПОН.)(№-9999) МАРКИРОВКА¤ ИНСТРУМЕНТ И РЕМКОМПЛЕКТЫ

Схема запчастей Komatsu WA350-1 - МАРКИРОВКА (ЯПОН.)(№-9999) МАРКИРОВКА¤ ИНСТРУМЕНТ И РЕМКОМПЛЕКТЫ
FIT
1:1
100%

Артикул

Название

Примечание

Количество

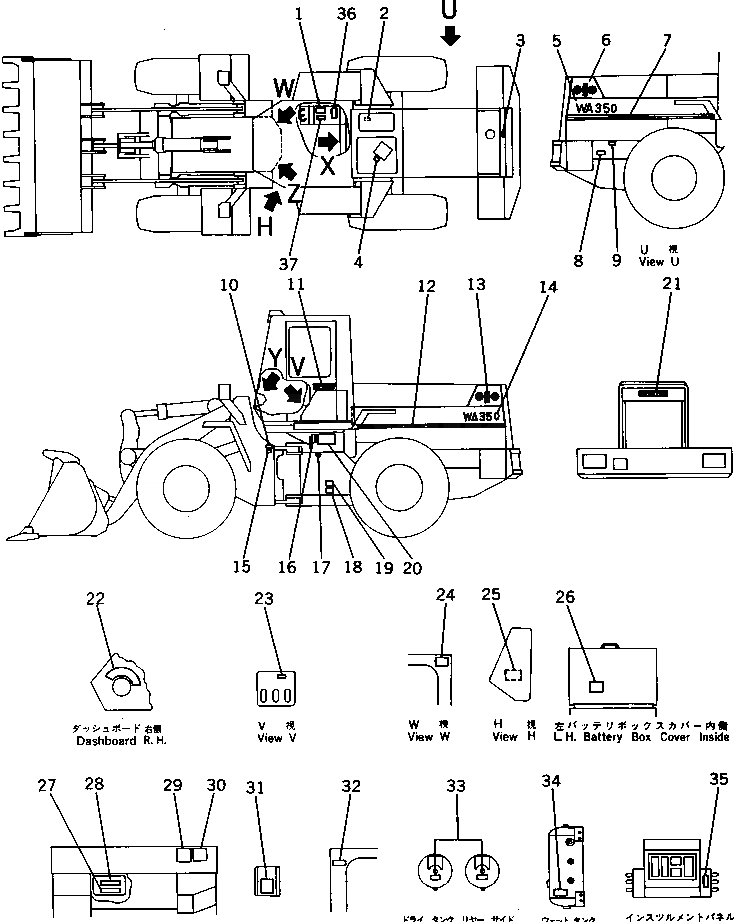
1

421-93-11132

PLATE¤ OPERATING,BUCKET CONTROL LEVER

SN: 10001-@

1шт.

2

424-93-11280

PLATE¤ CAUTION,BRAKE OIL

SN: 10001-19999

1шт.

3

09668-00100

PLATE¤ SAFETY,RADIATOR CAP

SN: 10001-@

1шт.

4

09653-00100

PLATE¤ SAFETY,HYDRAULIC TANK

SN: 10001-@

1шт.

5

423-93-11261

PLATE¤ MARK,WA350

SN: .-@

1шт.

|5

0

PLATE¤ MARK,WA350

SN: 10001-.

1шт.

6

09694-50280

PLATE¤ MARK,SYMBOL

SN: 10001-@

1шт.

7

423-93-11142

PLATE¤ STRIPE

SN: 10001-@

1шт.

8

09101-00100

PLATE¤ INSTRUCTION,FUEL

SN: .-@

1шт.

|8

0

PLATE¤ CAUTION,FUEL

SN: 10001-.

1шт.

9

362-54-17180

PLATE¤ CAUTION,FAN

SN: 10001-@

1шт.

10

423-93-11240

PLATE¤ CAUTION,KEEP OUT

SN: .-@

2шт.

|10

0

PLATE¤ CAUTION,KEEP OUT

SN: 10001-.

2шт.

11

09690-50280

PLATE¤ MARK,KOMATSU

SN: 10001-19999

2шт.

12

423-93-11142

PLATE¤ STRIPE

SN: 10001-@

1шт.

13

09694-50280

PLATE¤ MARK,SYMBOL

SN: 10001-@

1шт.

14

423-93-11261

PLATE¤ MARK,WA350

SN: .-@

1шт.

|14

0

PLATE¤ MARK,WA350

SN: 10001-.

1шт.

15

362-54-17230

PLATE¤ CAUTION,HOSE CHANGE

SN: 10001-@

1шт.

16

423-93-11160

PLATE¤ DATA

SN: 10001-@

1шт.

17

424-93-11330

PLATE¤ CAUTION,TRANSMISSION OIL LEVEL

SN: 10001-@

1шт.

18

362-54-17160

PLATE¤ CAUTION,FRAME LOCK

SN: 10001-@

1шт.

19

09152-10100

PLATE¤ SAFETY,AIR TANK¤ DRAIN

SN: 10001-@

1шт.

20

423-93-11112

CHART¤ OIL

SN: 10001-19999

1шт.

|20

0

CHART¤ OIL

SN: (.-..)

1шт.

|20

0

CHART¤ OIL

SN: (10001-.)

1шт.

21

09690-50400

PLATE¤ MARK,KOMATSU

SN: 10001-@

1шт.

22

09683-01070

PLATE¤ OPERATING,MAIN SWITCH

SN: 10001-@

1шт.

23

09685-00004

PLATE¤ OPERATING,LEVER LOCK

SN: 10001-19999

1шт.

24

09601-00835

PLATE¤ NAME,(LIMITED SUPPLY)

SN: 10001-@

1шт.

|24

04418-13060

SCREW

SN: 10001-@

4шт.

25

421-93-11370

PLATE¤ OPERATING,MONITOR PANEL

SN: 10001-19999

1шт.

26

419-93-11420

PLATE¤ CAUTION,BATTERY

SN: 10001-@

2шт.

27

424-93-11250

PLATE¤ OPERATING,FUSE

SN: 10001-19999

1шт.

28

424-93-11240

PLATE¤ OPERATING,FUSE

SN: 10001-19999

1шт.

29

421-93-11181

PLATE¤ SAFETY,STARTING AND AFTER OPERATING

SN: 10001-@

1шт.

30

424-93-11320

PLATE¤ CAUTION,STARTING AND INSPECTION

SN: 10001-@

1шт.

31

419-93-11890

PLATE¤ CAUTION,TRANSMISSION OIL TEMPERATURE

SN: 10001-@

1шт.

|31

0

PLATE¤ CAUTION,TRANSMISSION OIL TEMPERATURE

SN: (10001-10706)

1шт.

32

09152-10100

PLATE¤ SAFETY,AIR TANK¤ DRAIN

SN: 10001-@

1шт.

33

424-93-11120

PLATE¤ CAUTION,AIR TANK

SN: 10001-@

2шт.

34

424-93-11120

PLATE¤ CAUTION,AIR TANK

SN: 10001-@

1шт.

35

424-93-11360

PLATE¤ OPERATING,WORK LAMP

SN: 10001-@

1шт.

36

426-93-11730

PLATE¤ OPERATING,RELAY

SN: 10001-19999

1шт.

37

416-881-1170

PLATE¤ OPERATING,LOG GRAPPLE

SN: 10001-@

1шт.

|37

423-823-1520

PLATE¤ OPERATING,MULTI PURPOSE BUCKET

SN: 10001-@

1шт.

Выбрано товаров: 46