Запчасти Komatsu WA350-1 ВЕДУЩ. ВАЛ (ПЕРЕДН.) ВЕДУЩ. ВАЛ¤ ДИФФЕРЕНЦ. И КОЛЕСА

Схема запчастей Komatsu WA350-1 - ВЕДУЩ. ВАЛ (ПЕРЕДН.) ВЕДУЩ. ВАЛ¤ ДИФФЕРЕНЦ. И КОЛЕСА
FIT
1:1
100%

Артикул

Название

Примечание

Количество

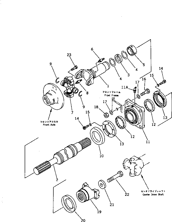
|1

423-20-13010

SHAFT AND DEFLECTOR

SN: 10001-UP

1шт.

|1

423-20-13112

DRIVE SHAFT ASS'Y

SN: 10001-UP

1шт.

|1

423-20-13650

YOKE AND SHAFT A.

SN: 10001-UP

1шт.

1

0

YOKE

SN: 10353-UP

1шт.

|1

0

YOKE

SN: 10001-10352

1шт.

2

0

SHAFT

SN: 10353-UP

1шт.

|2

0

SHAFT

SN: 10001-10352

1шт.

3

423-20-12660

SEAL,OIL

SN: 10001-UP

1шт.

4

423-20-12670

RETAINER

SN: 10001-UP

2шт.

5

423-20-12681

COVER

SN: 10353-UP

1шт.

|5

423-20-12680

COVER

SN: 10001-10352

1шт.

6

419-20-12640

FITTING,GREASE

SN: 10001-UP

1шт.

7

423-20-12620

SPIDER ASS'Y

SN: 10001-UP

1шт.

8

423-20-12640

FITTING,GREASE

SN: 10001-UP

1шт.

9

423-20-12710

RING,SNAP

SN: 10001-UP

2шт.

10

423-20-15310

DEFLECTOR

SN: 10001-UP

1шт.

11

423-20-15112

BEARING ASS'Y,FLANGE

SN: 10001-UP

1шт.

11A

07020-00675

FITTING,GREASE

SN: 10001-UP

1шт.

12

423-20-15620

SEAL

SN: 10001-UP

2шт.

13

423-20-15630

COVER

SN: 10001-UP

2шт.

14

01252-40625

BOLT

SN: 10001-UP

12шт.

15

01602-20619

WASHER,SPRING

SN: 10001-UP

12шт.

16

01010-31660

BOLT

SN: 10001-UP

4шт.

17

01643-31645

WASHER

SN: 10001-UP

8шт.

18

01580-01613

NUT

SN: 10001-UP

4шт.

|19

423-20-13030

COUPLING ASS'Y

SN: 10001-UP

1шт.

19

423-20-13512

COUPLING

SN: 10001-UP

1шт.

20

423-20-15310

DEFLECTOR

SN: 10001-UP

1шт.

21

423-20-13520

HOLDER

SN: 10001-UP

1шт.

22

01011-62420

BOLT

SN: 10001-UP

1шт.

23

01050-61250

BOLT

SN: 10001-UP

4шт.

Выбрано товаров: 0