Запчасти Komatsu WA350-3-X ТРАНСМИССИЯ (КОРПУС ТРАНСМИССИИ) (/)(№-) ТРАНСМИССИЯ

Схема запчастей Komatsu WA350-3-X - ТРАНСМИССИЯ (КОРПУС ТРАНСМИССИИ) (/)(№-) ТРАНСМИССИЯ
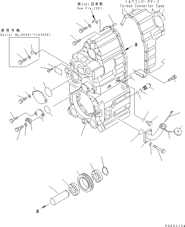
1
2
3
3A
4
5
6
7
8
9
10
11
12
13
14
15
16
16
17
18
19
20
21
22
23
24
25
26
27
28
29
30
31
32
33
34
35
36
37
FIT
1:1
100%

Артикул

Название

Примечание

Количество

|$$1

SERIAL NO. IN ( ) INDICATES TRANSMISSION SERIAL NO.

-1шт.

|1

714-12-10000

TRANSMISSION ASS'Y

SN: 60001-UP

1шт.

|$$3

THIS ASSEMBLY CONSISTS OF ALL PARTS SHOWN IN FIGS.2201 TO 2271.

-1шт.

|1

714-12-11111

CASE ASS'Y,FRONT

SN: 60001-UP

1шт.

1

0

CASE

SN: 60001-UP

1шт.

2

714-12-16510

SHAFT

SN: 60001-UP

1шт.

3

07040-12012

PLUG

SN: 60001-UP

1шт.

3A

07002-02034

O-RING (K1)

SN: 60001-UP

1шт.

4

04020-01434

PIN,DOWEL

SN: 60001-UP

2шт.

5

07000-02014

O-RING (K1)

SN: 60001-(87000)

1шт.

6

01010-81240

BOLT

SN: 60001-UP

13шт.

7

01010-81245

BOLT

SN: 60001-UP

1шт.

8

01643-31232

WASHER

SN: 60001-UP

1шт.

9

01010-81235

BOLT

SN: 60001-UP

2шт.

10

419-15-18241

PLUG

SN: 60001-UP

1шт.

11

07002-02434

O-RING (K1)

SN: 60001-UP

1шт.

12

419-15-18251

RING,SNAP

SN: 60001-UP

1шт.

13

09608-05080

PLATE¤ NAME,(LIMITED SUPPLY)

SN: 60001-UP

1шт.

14

04418-13060

SCREW

SN: 60001-UP

4шт.

15

714-12-16610

GEAR¤ 34 TEETH,IDLER

SN: 60001-UP

1шт.

16

714-12-19320

BEARING,BALL

SN: 60001-UP

2шт.

17

04064-06020

RING,SNAP

SN: 60001-UP

1шт.

18

417-15-14160

COVER

SN: 60001-UP

1шт.

19

07000-02105

O-RING (K1)

SN: 60001-UP

1шт.

20

01010-81235

BOLT

SN: 60001-UP

2шт.

21

01643-31232

WASHER

SN: 60001-UP

2шт.

22

08036-01014

CLIP

SN: 60001-(87000)

1шт.

23

01010-31225

BOLT

SN: 60001-(87000)

1шт.

24

01643-31232

WASHER

SN: 60001-(87000)

1шт.

25

714-13-11350

COVER

SN: 60001-UP

1шт.

26

07000-02065

O-RING (K1)

SN: 60001-UP

1шт.

27

42A-16-11210

PLATE

SN: 60001-UP

1шт.

28

01010-81235

BOLT

SN: 60001-UP

1шт.

29

01643-31232

WASHER

SN: 60001-UP

1шт.

30

01010-81225

BOLT

SN: 60001-UP

1шт.

31

714-12-18510

TUBE,FILLER

SN: 60001-UP

1шт.

32

419-15-14424

GAUGE,OIL LEVEL

SN: 60001-UP

1шт.

33

6136-21-7120

CAP ASS'Y

SN: 60001-UP

1шт.

|33

6136-21-7180

GASKET

SN: 60001-UP

1шт.

34

6136-21-7190

CHAIN

SN: 60001-UP

1шт.

35

07000-02065

O-RING (K1)

SN: 60001-UP

1шт.

36

01010-81040

BOLT

SN: 60001-UP

4шт.

37

01643-31032

WASHER

SN: 60001-UP

4шт.

38

419-15-18131

LIQUID GASKET,(NOT SHOWN) (K1)

SN: 60001-UP

1шт.

Выбрано товаров: 44