Запчасти Komatsu WA350-3A ДВИГАТЕЛЬ ЧАСТИ (НАВЕСН. ОБОРУД ЧАСТИ) (С КОМПРЕССОР)(№-) КОМПОНЕНТЫ ДВИГАТЕЛЯ

Схема запчастей Komatsu WA350-3A - ДВИГАТЕЛЬ ЧАСТИ (НАВЕСН. ОБОРУД ЧАСТИ) (С КОМПРЕССОР)(№-) КОМПОНЕНТЫ ДВИГАТЕЛЯ
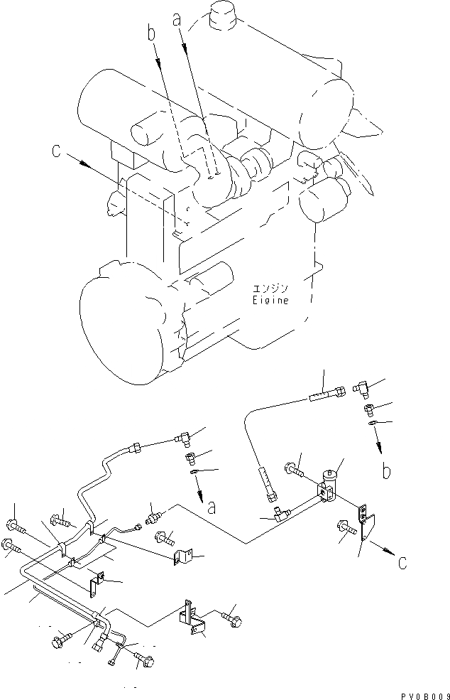
1
2
3
4
5
6
6
7
8
9
10
11
12
13
14
15
16
17
17
17
18
18
18
19
19
19
19
20
21
22
23
FIT
1:1
100%

Артикул

Название

Примечание

Количество

1

424-35-12740

ADAPTER

SN: 55001-UP

1шт.

2

23S-44-25920

GASKET

SN: 55001-UP

1шт.

3

421-09-12530

ELBOW

SN: 55001-UP

1шт.

4

419-Z66-2122

TUBE

SN: 55001-UP

1шт.

5

07102-20203

HOSE

SN: 55001-UP

1шт.

6

19M-60-15320

ELBOW

SN: 55001-UP

2шт.

7

566-35-42530

AIR GOVERNOR ASS'Y

SN: 55001-UP

1шт.

8

01435-00875

BOLT

SN: 55001-UP

2шт.

9

421-35-11671

ADAPTER

SN: 55001-UP

1шт.

10

07005-01412

GASKET

SN: 55001-UP

1шт.

11

423-09-12110

CONNECTOR

SN: 55001-UP

1шт.

12

419-Z66-2162

TUBE

SN: 55001-UP

1шт.

13

419-Z66-2211

BRACKET

SN: 55001-UP

1шт.

14

01435-00816

BOLT

SN: 55001-UP

2шт.

15

419-Z66-2220

PLATE

SN: 55001-UP

1шт.

16

01435-01025

BOLT

SN: 55001-UP

1шт.

17

04434-50610

CLIP

SN: 55001-UP

4шт.

18

04434-51510

CLIP

SN: 55001-UP

4шт.

19

01435-01020

BOLT

SN: 55001-UP

4шт.

20

419-Z66-2230

PLATE

SN: 55001-UP

1шт.

21

01435-01220

BOLT

SN: 55001-UP

1шт.

22

419-Z66-2240

BRACKET

SN: 55001-UP

1шт.

23

01435-01225

BOLT

SN: 55001-UP

1шт.

Выбрано товаров: 23