Запчасти Komatsu WA350-3A УДАЛЕННАЯ СМАЗКА (СМАЗЫВАЮЩ. НАСОС И КОНТРОЛЛЕР) (С АВТОМАТИЧ. СМАЗКОЙ СИСТЕМА) ОСНОВНАЯ РАМА И ЕЕ ЧАСТИ

Схема запчастей Komatsu WA350-3A - УДАЛЕННАЯ СМАЗКА (СМАЗЫВАЮЩ. НАСОС И КОНТРОЛЛЕР) (С АВТОМАТИЧ. СМАЗКОЙ   СИСТЕМА) ОСНОВНАЯ РАМА И ЕЕ ЧАСТИ
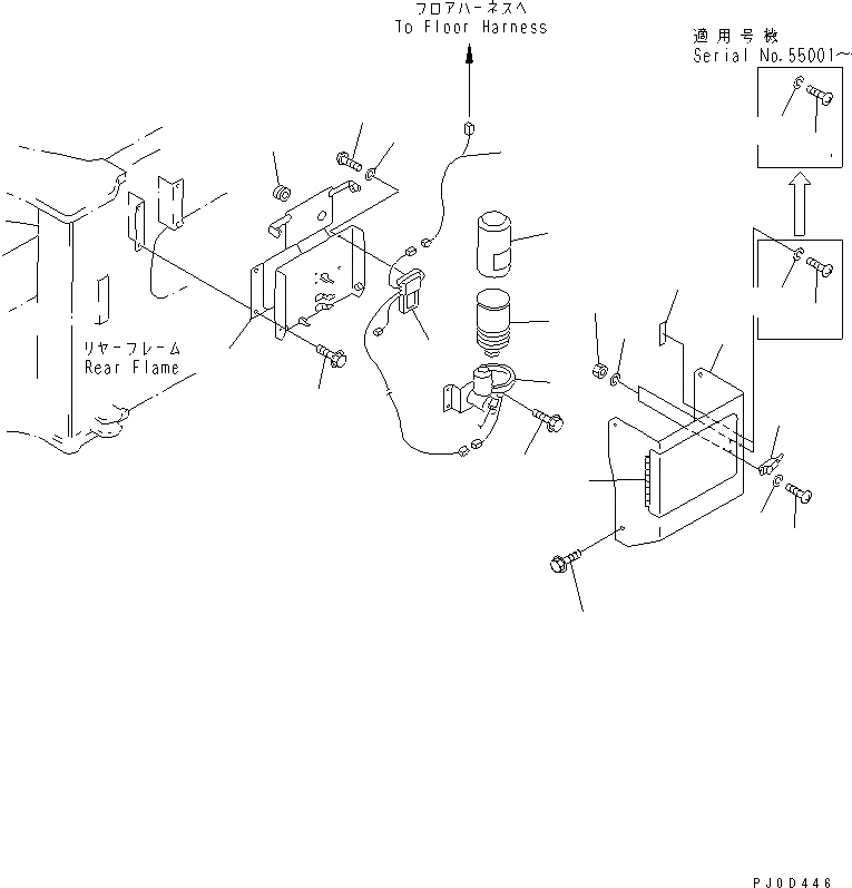
1
2
3
4
5
6
7
8
9
10
11
12
13
14
15
15
15A
16
17
17
17
17
18
19
FIT
1:1
100%

Артикул

Название

Примечание

Количество

|1

421-S95-2111

PUMP ASS'Y

SN: 55001-UP

1шт.

|1

421-S95-2110

PUMP ASS'Y

SN: 53001-55000

1шт.

1

421-S95-3320

TANK,GREASE

SN: 53001-UP

1шт.

2

421-S95-3331

MOTOR

SN: 55001-UP

1шт.

|2

421-S95-3330

MOTOR

SN: 53001-55000

1шт.

3

421-S95-3340

CARTRIDGE,GREASE

SN: 53001-UP

1шт.

4

01435-00816

BOLT

SN: 53001-UP

4шт.

5

421-S95-3311

CONTROLLER

SN: 55001-UP

1шт.

|5

421-S95-3310

CONTROLLER

SN: 53001-55000

1шт.

6

01220-40516

SCREW

SN: 53001-UP

2шт.

7

01641-20508

WASHER

SN: 53001-UP

2шт.

8

419-S95-2770

BRACKET

SN: 53001-UP

1шт.

9

01435-01220

BOLT

SN: 53001-UP

4шт.

10

419-S95-2780

COVER

SN: 53001-UP

1шт.

11

424-54-14120

HINGE (WELDED)

SN: 53001-UP

1шт.

12

01435-01020

BOLT

SN: 53001-UP

4шт.

13

417-54-24470

CUSHION

SN: 53001-UP

1шт.

14

421-09-12322

HOLDER

SN: 53001-UP

1шт.

15

01220-40410

SCREW

SN: 55001-UP

3шт.

|15

01220-40410

SCREW

SN: 53001-55000

5шт.

15A

01220-40412

SCREW

SN: 55001-UP

2шт.

16

01580-10403

NUT

SN: 53001-UP

5шт.

17

01601-20410

WASHER,SPRING

SN: 53001-UP

10шт.

18

421-S95-2161

WIRING HARNESS

SN: 53001-UP

1шт.

19

08037-03614

GROMMET

SN: 53001-UP

1шт.

Выбрано товаров: 25