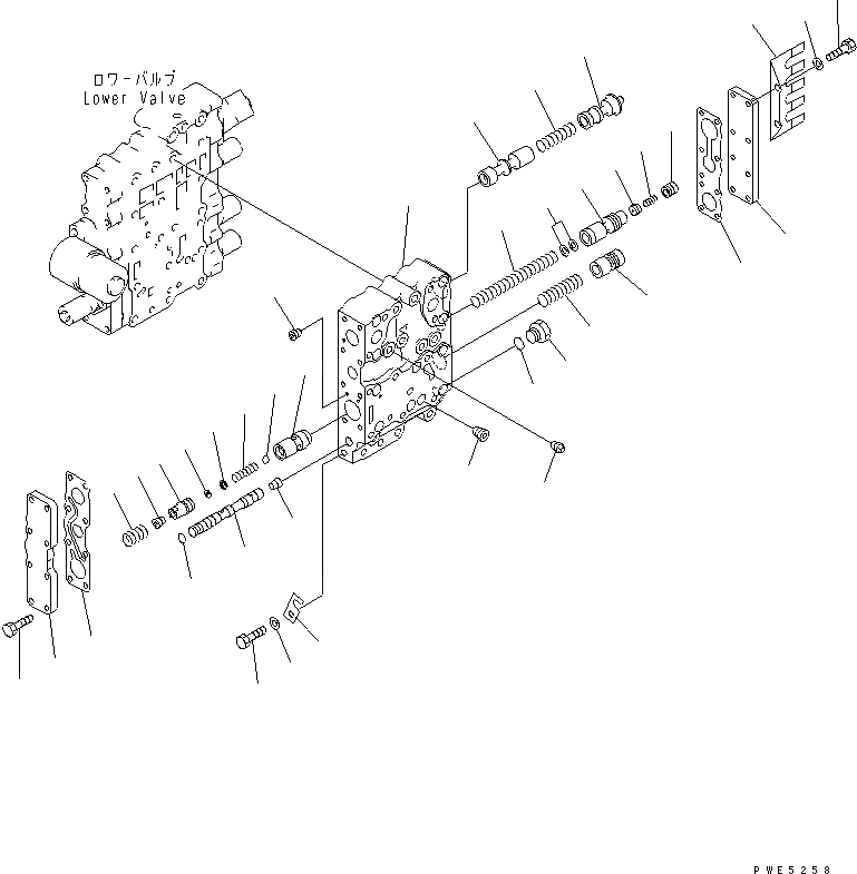
Запчасти Komatsu WA350-3A КЛАПАН УПРАВЛЕНИЯ ТРАНСМИССИЕЙ (/) (ВЕРХНИЙ КЛАПАН)(№-(88)) ТРАНСМИССИЯ

Схема запчастей Komatsu WA350-3A - КЛАПАН УПРАВЛЕНИЯ ТРАНСМИССИЕЙ (/) (ВЕРХНИЙ КЛАПАН)(№-(88)) ТРАНСМИССИЯ
1
1
2
3
3A
4
4A
5
6
7
8
9
10
11
12
13
14
15
16
17
18
19
20
21
21
22
23
24
25
26
27
28
29
30
31
32
33
34
35
36
FIT
1:1
100%

Артикул

Название

Примечание

Количество

|$$1

SERIAL NO. IN ( ) INDICATES TRANSMISSION SERIAL NO.

-1шт.

|1

714-12-10010

TORQFLOW ASS'Y

SN: 53001-@

1шт.

|$$3

THIS ASSEMBLY CONSISTS OF SOME FIGS. BE CAREFUL WHEN ORDERING THE PARTS.

-1шт.

1

714-12-17003

VALVE ASS'Y,TRANSMISSION

SN: (88606)-@

1шт.

|1

0

VALVE ASS'Y,TRANSMISSION

SN: 53001-(88605)

1шт.

|$$6

THESE ASSEMBLIES CONSISTS OF ALL PARTS SHOWN IN FIGS.F4350-61A0 TO F4350-63A0.

-1шт.

|1

714-12-17013

VALVE ASS'Y,UPPER

SN: (88606)-@

1шт.

|1

714-12-17012

VALVE ASS'Y,UPPER

SN: 53001-(88605)

1шт.

1

0

BODY,UPPER VALVE

SN: 53001-@

1шт.

2

714-07-15211

VALVE,MAIN

SN: 53001-@

1шт.

3

714-07-17510

VALVE,QUICK RETURN

SN: 53001-(88642)

1шт.

3A

714-07-17540

SCREEN

SN: (88606)-(88642)

1шт.

4

714-07-17521

PLUG,VALVE

SN: (88606)-(88642)

1шт.

|4

714-07-17520

PLUG

SN: 53001-(88605)

1шт.

4A

714-07-17550

PLATE

SN: (88606)-(88642)

1шт.

5

714-07-17360

VALVE,PILOT

SN: 53001-@

1шт.

6

714-07-15550

VALVE,TORQUE CONVERTER OUTLET

SN: 53001-@

1шт.

7

714-07-15710

SPOOL

SN: 53001-@

1шт.

8

714-07-15560

VALVE,MANUAL

SN: 53001-@

1шт.

9

415-15-15470

PLUG

SN: 53001-(88642)

1шт.

10

07000-02010

O-RING (K2)

SN: 53001-@

1шт.

11

104-15-25480

VALVE

SN: 53001-@

1шт.

12

104-15-25490

VALVE

SN: 53001-@

1шт.

13

113-15-25260

SHIM¤ 0.5MM

SN: 53001-@

2шт.

14

714-07-17570

SPRING

SN: 53001-@

1шт.

15

714-07-17680

SPRING

SN: 53001-@

1шт.

16

714-07-15690

SPRING

SN: 53001-@

1шт.

17

125-15-15290

SPRING

SN: 53001-@

1шт.

18

714-07-17690

SPRING

SN: 53001-@

1шт.

19

04260-01270

BALL,CHECK VALVE

SN: 53001-(88642)

1шт.

20

714-01-15440

SPRING

SN: 53001-(88642)

1шт.

21

415-15-15470

PLUG

SN: 53001-@

2шт.

22

714-16-17410

ORIFICE

SN: 53001-@

1шт.

23

714-07-17170

COVER,UPPER VALVE

SN: 53001-@

1шт.

24

714-07-17181

COVER,UPPER VALVE

SN: 53001-@

1шт.

25

714-07-17930

GASKET (K2)

SN: 53001-@

1шт.

26

714-07-17941

GASKET (K2)

SN: 53001-@

1шт.

27

01010-30825

BOLT

SN: 53001-@

8шт.

28

01010-30825

BOLT

SN: 53001-@

8шт.

29

01643-30823

WASHER

SN: 53001-@

8шт.

30

07040-11812

PLUG

SN: 53001-@

1шт.

31

07002-01823

O-RING (K2)

SN: 53001-@

1шт.

32

419-15-16670

PLATE,LOCK

SN: 53001-@

1шт.

33

01643-31032

WASHER

SN: 53001-@

1шт.

34

01010-81020

BOLT

SN: 53001-@

1шт.

35

07042-30108

PLUG

SN: 53001-(88642)

4шт.

36

714-07-15861

BRACKET

SN: 53001-@

1шт.

Выбрано товаров: 47