Запчасти Komatsu WA350-3A КЛАПАН УПРАВЛЕНИЯ ТРАНСМИССИЕЙ (/) (НИЖНИЙ КЛАПАН) (ДЛЯ ЭКСТРЕННОГО УПРАВЛЕНИЯ И СНЕГОУБОРОЧН. СПЕЦ-Я.)(№-) ТРАНСМИССИЯ

Схема запчастей Komatsu WA350-3A - КЛАПАН УПРАВЛЕНИЯ ТРАНСМИССИЕЙ (/) (НИЖНИЙ КЛАПАН) (ДЛЯ ЭКСТРЕННОГО УПРАВЛЕНИЯ И СНЕГОУБОРОЧН. СПЕЦ-Я.)(№-) ТРАНСМИССИЯ
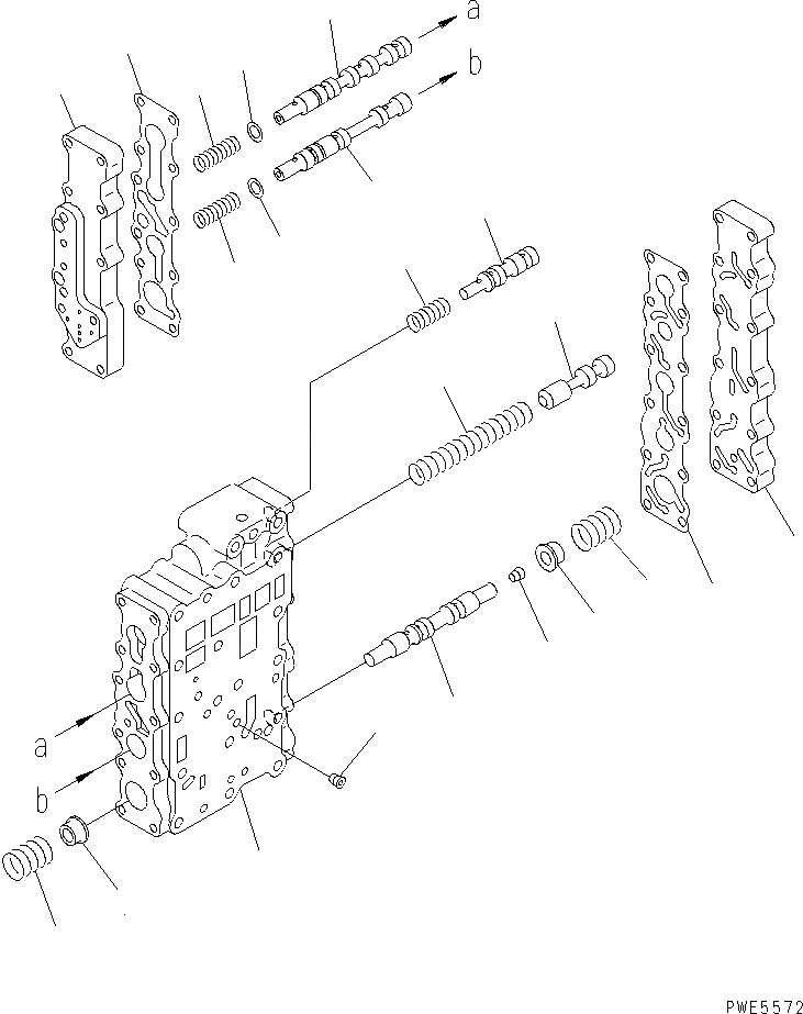
1
2
3
4
5
6
7
7
8
8
9
9
10
11
11
12
12
13
14
15
16
17
FIT
1:1
100%

Артикул

Название

Примечание

Количество

|$$1

SERIAL NO. IN ( ) INDICATES TRANSMISSION SERIAL NO.

-1шт.

|1

714-12-10041

TRANSMISSION ASS'Y,(FOR EMERGENCY STEERING)

SN: 53001-UP

1шт.

|1

714-12-10020

TRANSMISSION ASS'Y

SN: 54001-UP

1шт.

|$$4

THESE ASSEMBLY CONSIST OF SOME FIGS. BE CAREFUL WHEN ORDERING THE PARTS.

-1шт.

|1

714-12-15002

VALVE ASS'Y,TRANSMISSION

SN: (89201)-UP

1шт.

|1

714-12-15001

VALVE ASS'Y,TRANSMISSION

SN: 54001-(89200)

1шт.

|$$7

THIS ASSEMBLY CONSISTS OF ALL PARTS SHOWN IN FIGS.F4350-61A1A TO F4350-63A1.

-1шт.

|1

714-12-16010

VALVE ASS'Y,LOWER

SN: 54001-UP

1шт.

|$$9

THIS ASSEMBLY CONSISTS OF ALL PARTS SHOWN IN FIGS.F4350-62A1A AND F4350-63A1 .

-1шт.

1

0

BODY,LOWER VALVE

SN: 53001-UP

1шт.

2

714-07-16250

VALVE,PRIORITY

SN: 53001-UP

1шт.

3

714-12-16310

VALVE,F-R

SN: 54001-UP

1шт.

4

714-12-16420

VALVE,H-L

SN: 53001-UP

1шт.

5

714-12-16430

VALVE

SN: 54001-UP

1шт.

6

714-07-16340

VALVE,BRAKE

SN: 53001-UP

1шт.

7

714-07-16620

SLEEVE

SN: 53001-UP

2шт.

8

02720-10104

PLUG

SN: 54001-UP

5шт.

9

419-15-16631

SPACER

SN: 53001-UP

2шт.

10

714-07-16290

SPRING

SN: 53001-UP

1шт.

11

714-07-16370

SPRING

SN: 53001-UP

2шт.

12

419-15-16620

SPRING

SN: 53001-UP

2шт.

13

714-07-16380

SPRING

SN: 53001-UP

1шт.

14

714-07-16842

COVER,LOWER VALVE

SN: (89201)-UP

1шт.

|14

419-15-15640

PLUG,LOWER VALVE

SN: 53001-(89200)

3шт.

15

714-12-15810

COVER,LOWER VALVE

SN: 53001-UP

1шт.

16

714-07-16950

GASKET (K2)

SN: 53001-UP

1шт.

17

714-07-16960

GASKET (K2)

SN: 53001-UP

1шт.

Выбрано товаров: 27