Запчасти Komatsu WA350-3A-SN ПОЛ Э/ПРОВОДКА (КАБИНА ЛИНИЯ) (С КАБИНОЙ ДЛЯ 2 ЧЕЛ.) КАБИНА ОПЕРАТОРА И СИСТЕМА УПРАВЛЕНИЯ

Схема запчастей Komatsu WA350-3A-SN - ПОЛ Э/ПРОВОДКА (КАБИНА ЛИНИЯ) (С КАБИНОЙ ДЛЯ 2 ЧЕЛ.) КАБИНА ОПЕРАТОРА И СИСТЕМА УПРАВЛЕНИЯ
1
2
2
3
4
5
6
7
8
9
10
FIT
1:1
100%

Артикул

Название

Примечание

Количество

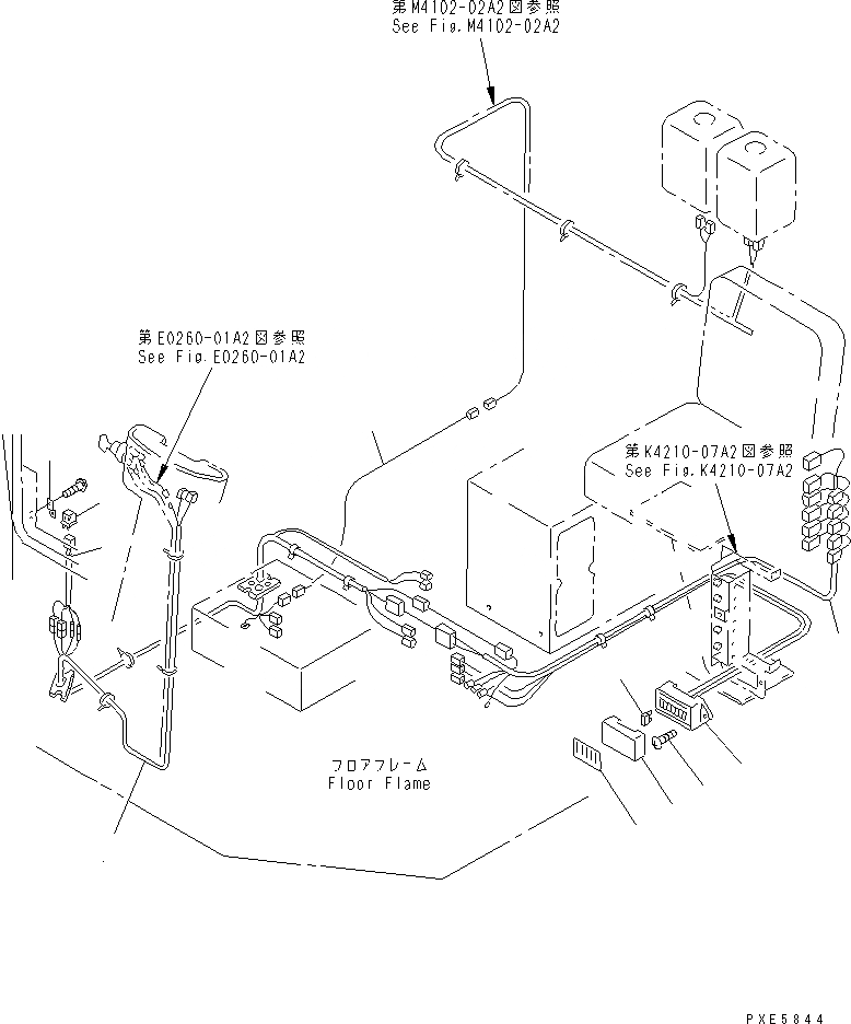
1

423-944-2382

WIRING HARNESS

SN: 53001-55000

1шт.

2

418-944-2541

FUSE BOX ASS'Y

SN: 53001-UP

1шт.

3

22W-06-13160

FUSE¤ 20A

SN: 53001-UP

3шт.

4

01023-10616

SCREW

SN: 53001-UP

2шт.

5

418-944-2570

PLATE¤ NAME

SN: 53001-UP

1шт.

6

416-944-2344

WIRING HARNESS

SN: 53001-55000

1шт.

|6

08020-10000

DIODE

SN: 53001-55000

6шт.

7

423-944-2340

WIRING HARNESS

SN: 53001-55000

1шт.

8

423-Z23-2241

WIRE ASS'Y

SN: 53001-UP

1шт.

9

569-06-61960

RELAY

SN: 53001-UP

1шт.

10

287-06-16420

BRACKET

SN: 53001-UP

1шт.

Выбрано товаров: 11