Запчасти Komatsu WA350-3A-SN ОТВАЛ (S.P.A.P.) (БОКОВ. СДВИГ ЛИНИЯ ЦИЛИНДРА) (С СОЕДИНИТ. УСТР-ВО)(№-) РАБОЧЕЕ ОБОРУДОВАНИЕ

Схема запчастей Komatsu WA350-3A-SN - ОТВАЛ (S.P.A.P.) (БОКОВ. СДВИГ ЛИНИЯ ЦИЛИНДРА) (С СОЕДИНИТ. УСТР-ВО)(№-) РАБОЧЕЕ ОБОРУДОВАНИЕ
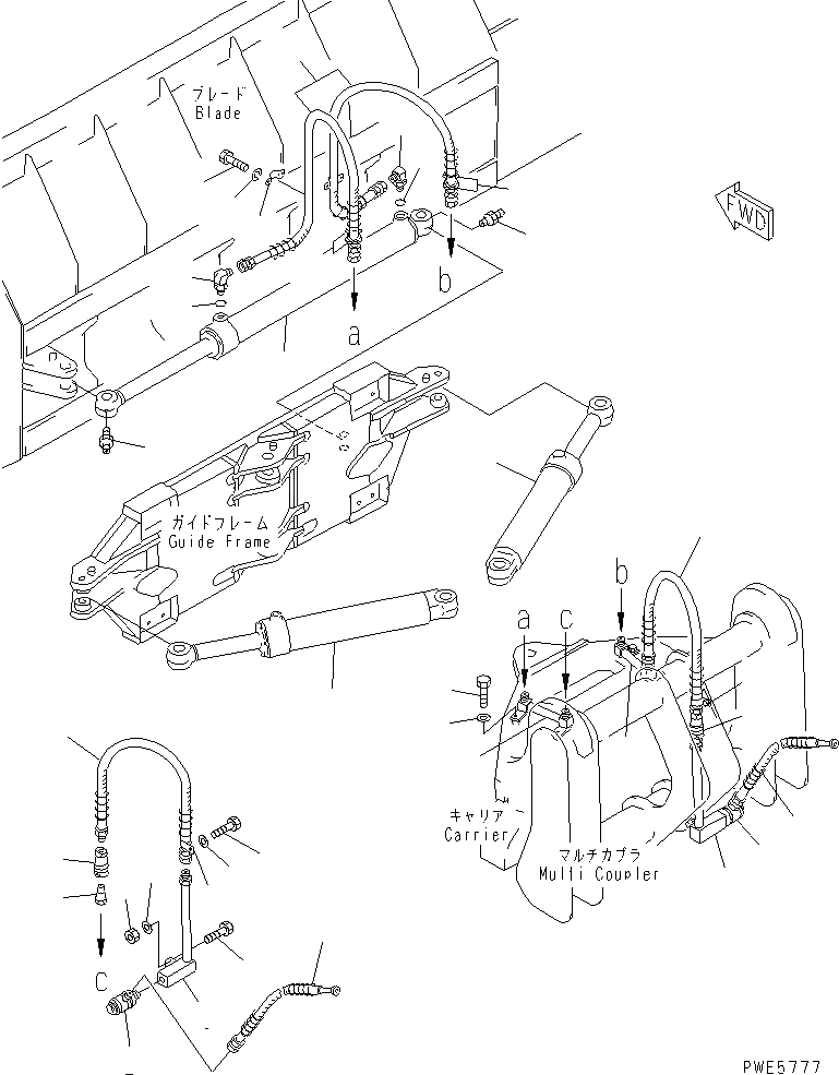
1
1
2
2
3
4
5
6
7
8
8
9
9
10
11
12
12
13
14
15
16
17
18
19
19
20
20
21
22
23
24
24
25
26
27
28
28
FIT
1:1
100%

Артикул

Название

Примечание

Количество

1

423-915-1271

HOSE

SN: 53001-@

2шт.

2

41H-62-13300

JOINT,SWIVEL

SN: 53001-@

2шт.

3

423-915-1251

TUBE,L.H.

SN: 53001-@

1шт.

4

423-915-1261

TUBE,R.H.

SN: 53001-@

1шт.

5

01010-81045

BOLT

SN: 53001-@

4шт.

6

01643-31032

WASHER

SN: 53001-@

4шт.

7

01596-01009

NUT

SN: 53001-@

4шт.

8

423-915-1240

HOSE

SN: 53001-@

2шт.

9

581-04-22290

CLIP

SN: 53001-@

2шт.

10

01010-81016

BOLT

SN: 53001-@

2шт.

11

01643-31032

WASHER

SN: 53001-@

2шт.

|12

423-915-1310

JOINT ASS'Y

SN: 53001-@

2шт.

12

423-915-1320

ADAPTER

SN: 53001-@

1шт.

13

423-915-1330

COUPLING

SN: 53001-@

1шт.

14

423-915-1210

TUBE,L.H.

SN: 53001-@

1шт.

15

423-915-1230

TUBE,R.H.

SN: 53001-@

1шт.

16

01010-81020

BOLT

SN: 53001-@

4шт.

17

01643-31032

WASHER

SN: 53001-@

4шт.

18

07123-20615

HOSE

SN: 53001-@

2шт.

19

07235-10628

ELBOW

SN: 53001-55000

2шт.

20

07002-12434

O-RING

SN: 53001-55000

2шт.

21

423-905-1390

CLAMP

SN: 53001-@

2шт.

22

01010-80816

BOLT

SN: 53001-@

4шт.

23

01602-20825

WASHER,SPRING

SN: 53001-@

4шт.

24

08034-00823

BAND

SN: 53001-55000

4шт.

25

707-00-10051

CYLINDER ASS'Y,ANGLE¤ L.H.

SN: 53001-55000

1шт.

26

707-00-10061

CYLINDER ASS'Y,ANGLE¤ R.H.

SN: 53001-55000

1шт.

27

707-00-80410

CYLINDER ASS'Y,SIDE SHIFT

SN: 53001-55000

1шт.

28

07020-00000

FITTING,GREASE

SN: 53001-55000

2шт.

Выбрано товаров: 29