Запчасти Komatsu WA350-3A-SN ТРАНСМИССИЯ (КОРПУС ТРАНСМИССИИ) (/) ТРАНСМИССИЯ

Схема запчастей Komatsu WA350-3A-SN - ТРАНСМИССИЯ (КОРПУС ТРАНСМИССИИ) (/) ТРАНСМИССИЯ
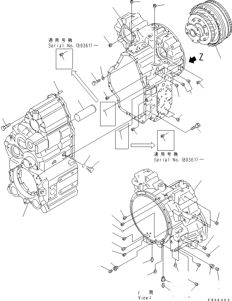
1
2
3
4
5
5
6
6
6
6
6
6
7
7
7
8
9
9
10
10
10
10
11
11
11
12
12
12
12
12
12
12
12
12
12
13
13
14
14
15
16
17
18
19
20
FIT
1:1
100%

Артикул

Название

Примечание

Количество

|1

714-12-10011

TORQFLOW ASS'Y

SN: 54001-UP

1шт.

|1

714-12-10010

TORQFLOW ASS'Y

SN: 53001-UP

1шт.

|1

714-12-10041

TRANSMISSION ASS'Y

SN: 54001-UP

1шт.

|1

714-12-10050

TRANSMISSION ASS'Y,(FOR EMERGENCY STEERING)

SN: 53001-54000

1шт.

|1

714-12-10020

TRANSMISSION ASS'Y,(FOR SNOW REMOVING)

SN: 54001-UP

1шт.

|1

714-12-10032

TRANSMISSION ASS'Y,(FOR SNOW REMOVING)

SN: 53001-54000

1шт.

|$$7

THESE ASSEMBLY CONSIST OF SOME FIGS. BE CAREFUL WHEN ORDERING THE PARTS.

-1шт.

|1

714-12-11111

CASE ASS'Y,FRONT

SN: 53001-UP

1шт.

1

0

CASE

SN: 53001-UP

1шт.

2

714-12-16510

SHAFT

SN: 53001-UP

1шт.

3

07040-12012

PLUG

SN: 53001-UP

1шт.

4

07002-02034

O-RING (K1)

SN: 53001-UP

1шт.

|5

714-12-11121

CASE ASS'Y,TORQUE CONVERTER

SN: 53001-UP

1шт.

5

0

CASE

SN: 53001-UP

1шт.

6

07042-80108

PLUG

SN: 53001-UP

9шт.

7

419-15-12750

ORIFICE

SN: 53001-UP

3шт.

8

714-12-11410

ORIFICE

SN: 53001-UP

1шт.

9

714-11-19390

BALL

SN: 53001-(89360)

2шт.

10

07043-70617

PLUG

SN: 53001-UP

5шт.

11

21T-38-11390

BUSHING

SN: 53001-UP

4шт.

12

07043-70312

PLUG

SN: (89361)-UP

17шт.

|12

07043-70312

PLUG

SN: 53001-(89360)

15шт.

13

07043-00108

PLUG

SN: (89361)-UP

1шт.

|13

04260-00952

BALL,STEEL

SN: 53001-(89360)

1шт.

14

07043-70211

PLUG

SN: 53001-UP

7шт.

15

04020-01434

PIN,DOWEL

SN: 53001-UP

2шт.

16

01010-81240

BOLT

SN: 53001-UP

12шт.

17

01010-81235

BOLT

SN: 53001-UP

2шт.

18

01010-81260

BOLT

SN: 53001-UP

5шт.

19

01643-31232

WASHER

SN: 53001-UP

5шт.

20

711-50-00300

TORQUE CONVERTER A.

SN: 53001-UP

1шт.

21

419-15-18131

LIQUID GASKET,(NOT SHOWN) (K1)

SN: 53001-UP

1шт.

Выбрано товаров: 0