Запчасти Komatsu WA380-1 ПАНЕЛЬ ПРИБОРОВ КОМПОНЕНТЫ ДВИГАТЕЛЯ И ЭЛЕКТРИКА

Схема запчастей Komatsu WA380-1 - ПАНЕЛЬ ПРИБОРОВ КОМПОНЕНТЫ ДВИГАТЕЛЯ И ЭЛЕКТРИКА
FIT
1:1
100%

Артикул

Название

Примечание

Количество

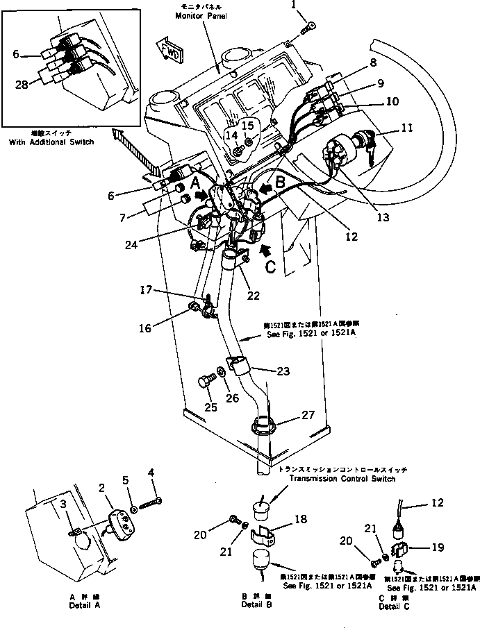
1

01225-40620

SCREW

SN: 10001-UP

6шт.

2

23S-06-13270

LAMP ASS'Y,CAUTION

SN: 10001-UP

1шт.

2

08110-12410

BULB, 12W

SN: 10001-UP

1шт.

3

421-06-15321

GROMMET

SN: 10001-UP

2шт.

4

421-06-15330

SCREW

SN: 10001-UP

2шт.

5

421-06-15340

WASHER

SN: 10001-UP

2шт.

6

421-06-11551

SWITCH,TRANSMISSION CUT OFF

SN: 10001-UP

1шт.

7

09415-00706

CAP

SN: 10001-UP

2шт.

8

421-06-11511

SWITCH,PARKING BRAKE

SN: 10001-UP

1шт.

9

421-06-11521

SWITCH,WORK LAMP

SN: 10001-UP

1шт.

10

421-06-11532

SWITCH,GLOW

SN: 10001-UP

1шт.

11

08086-20000

SWITCH,STARTING

SN: 20001-UP

1шт.

11

08086-10000

SWITCH,STARTING

SN: 10001-19999

1шт.

12

421-06-11692

WIRE ASS'Y

SN: 10001-UP

1шт.

13

08038-00518

CAP

SN: 10001-UP

4шт.

14

01010-50820

BOLT

SN: 20001-UP

2шт.

14

01010-50616

BOLT

SN: 10001-19999

2шт.

15

01643-30623

WASHER

SN: 10001-UP

2шт.

16

424-06-12240

CONNECTOR

SN: 10001-UP

1шт.

17

08034-00823

BAND

SN: 10001-UP

1шт.

18

421-06-12610

CLIP

SN: 10001-UP

2шт.

19

283-06-17130

CLIP

SN: 10001-UP

1шт.

20

01220-40612

SCREW

SN: 10001-UP

3шт.

21

01641-20608

WASHER

SN: 10001-UP

3шт.

22

08036-01814

CLIP

SN: 10001-UP

1шт.

23

08036-03014

CLIP

SN: 10001-UP

1шт.

24

08036-02514

CLIP

SN: 10001-UP

1шт.

25

01010-51020

BOLT

SN: 10001-UP

3шт.

26

01643-31032

WASHER

SN: 10001-UP

3шт.

27

421-09-11930

GROMMET

SN: 20001-UP

1шт.

27

421-06-12651

GROMMET

SN: 10001-19999

1шт.

28

421-06-11561

SWITCH,ADDITIONAL

SN: 10001-UP

2шт.

Выбрано товаров: 32