Запчасти Komatsu WA380-1 ПОГРУЗ. И НАСОС РУЛЕВ. УПРАВЛ-Я (/)(№-) УПРАВЛ-Е РАБОЧИМ ОБОРУДОВАНИЕМ

Схема запчастей Komatsu WA380-1 - ПОГРУЗ. И НАСОС РУЛЕВ. УПРАВЛ-Я (/)(№-) УПРАВЛ-Е РАБОЧИМ ОБОРУДОВАНИЕМ
FIT
1:1
100%

Артикул

Название

Примечание

Количество

|$0

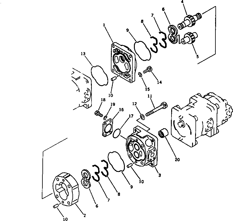
705-56-34180

PUMP ASS'Y,(SAR80+56+36+12)

SN: 20064-UP

1шт.

|$1

0

PUMP ASS'Y,(SAR80+56+36+12)

SN: 20001-20063

1шт.

|$2

705-12-35340

PUMP ASS'Y,(SAR56)

SN: 20064-UP

1шт.

|$3

0

PUMP ASS'Y,(SAR56)

SN: 20001-20063

1шт.

1

0

BRACKET

SN: 20001-UP

1шт.

1

0

BUSHING

SN: 20064-UP

2шт.

2

0

CASE,GEAR

SN: 20001-UP

1шт.

3

0

CARRIER

SN: 20001-UP

1шт.

3

0

BUSHING

SN: 20064-UP

2шт.

4

0

GEAR,DRIVE

SN: 20001-UP

1шт.

5

0

GEAR,DRIVEN

SN: 20001-UP

1шт.

6

705-17-03610

PLATE,SIDE

SN: 20001-UP

2шт.

7

705-17-03443

RING,BACK-UP

SN: 20064-UP

2шт.

7

0

RING,BACK-UP

SN: 20001-20063

2шт.

8

705-17-03473

SEAL,RING

SN: 20064-UP

2шт.

8

0

SEAL,RING

SN: 20001-20063

2шт.

9

705-17-03381

O-RING

SN: 20064-UP

2шт.

9

0

O-RING

SN: 20001-20063

2шт.

10

04020-01228

PIN,DOWEL

SN: 20001-UP

6шт.

11

705-17-03740

BOLT

SN: 20001-UP

4шт.

12

01643-51645

WASHER

SN: 20001-UP

4шт.

13

705-17-03381

O-RING

SN: 20064-UP

1шт.

13

0

O-RING

SN: 20001-20063

1шт.

14

705-17-03370

BOLT

SN: 20001-UP

4шт.

15

705-17-04980

WASHER

SN: 20001-UP

4шт.

16

705-17-03880

PLATE

SN: 20001-UP

1шт.

17

07000-32055

O-RING

SN: 20064-UP

1шт.

17

0

O-RING

SN: 20001-20063

1шт.

18

01010-51230

BOLT

SN: 20001-UP

4шт.

19

01643-51232

WASHER

SN: 20001-UP

4шт.

20

705-17-03330

COUPLING

SN: 20001-UP

1шт.

Выбрано товаров: 31