Запчасти Komatsu WA380-1 ГИДРОЛИНИЯ (ДЛЯ ПЕРЕДН. НАВЕСН. ОБОРУД)(№-) УПРАВЛ-Е РАБОЧИМ ОБОРУДОВАНИЕМ

Схема запчастей Komatsu WA380-1 - ГИДРОЛИНИЯ (ДЛЯ ПЕРЕДН. НАВЕСН. ОБОРУД)(№-) УПРАВЛ-Е РАБОЧИМ ОБОРУДОВАНИЕМ
FIT
1:1
100%

Артикул

Название

Примечание

Количество

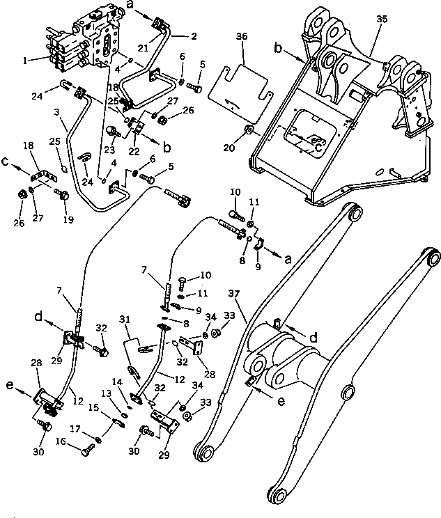
1

700-93-47002

VALVE ASS'Y,3-SPOOL (SEE FIG.6211)

SN: 20001-UP

1шт.

2

423-877-1310

TUBE

SN: 20001-UP

1шт.

3

423-877-1320

TUBE

SN: 20001-UP

1шт.

4

07000-13035

O-RING

SN: 20001-UP

2шт.

5

07372-21035

BOLT

SN: 20001-UP

8шт.

6

01643-51032

WASHER

SN: 20001-UP

8шт.

7

07125-01014

HOSE

SN: 20001-UP

2шт.

8

07000-13032

O-RING

SN: 20001-UP

4шт.

9

07371-31049

FLANGE,SPLIT

SN: 20001-UP

8шт.

10

07372-21035

BOLT

SN: 20001-UP

16шт.

11

01643-51032

WASHER

SN: 20001-UP

16шт.

12

423-878-1190

TUBE

SN: 20001-UP

2шт.

13

07378-11000

HEAD

SN: 20001-UP

2шт.

14

07000-13032

O-RING

SN: 20001-UP

2шт.

15

07371-31049

FLANGE,SPLIT

SN: 20001-UP

4шт.

16

07372-21035

BOLT

SN: 20001-UP

8шт.

17

01643-51032

WASHER

SN: 20001-UP

8шт.

18

423-877-1212

ANGLE

SN: 20001-UP

2шт.

19

01435-01035

BOLT

SN: 20001-UP

4шт.

20

01584-01008

NUT

SN: 20001-UP

4шт.

21

423-877-1330

BRACKET,L.H.

SN: 20001-UP

1шт.

22

423-877-1340

BRACKET,R.H.

SN: 20001-UP

1шт.

23

01435-01220

BOLT

SN: 20001-UP

4шт.

24

07283-33450

CLIP

SN: 20001-UP

4шт.

25

07283-53444

SEAT

SN: 20001-UP

4шт.

26

01599-01011

NUT

SN: 20001-UP

8шт.

27

01643-31032

WASHER

SN: 20001-UP

8шт.

28

423-877-1160

BRACKET

SN: 20001-UP

2шт.

29

423-877-1170

BRACKET

SN: 20001-UP

2шт.

30

01435-01220

BOLT

SN: 20001-UP

8шт.

31

07283-33450

CLIP

SN: 20001-UP

4шт.

32

07283-53444

SEAT

SN: 20001-UP

4шт.

33

01599-01011

NUT

SN: 20001-UP

8шт.

34

01643-31032

WASHER

SN: 20001-UP

8шт.

35

423-46-11151

FRAME,FRONT (MODIFIED PARTS)

SN: 20001-UP

1шт.

36

423-46-11161

COVER,(MODIFIED PARTS)

SN: 20001-UP

1шт.

37

423-70-11152

ARM,LIFT (MODIFIED PARTS)

SN: 20001-UP

1шт.

Выбрано товаров: 37