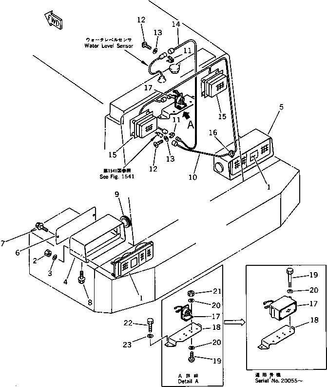
Запчасти Komatsu WA380-1 ЭЛЕКТРИКА (ЗАДН. ОСВЕЩЕНИЕ)(№-) КОМПОНЕНТЫ ДВИГАТЕЛЯ И ЭЛЕКТРИКА

Схема запчастей Komatsu WA380-1 - ЭЛЕКТРИКА (ЗАДН. ОСВЕЩЕНИЕ)(№-) КОМПОНЕНТЫ ДВИГАТЕЛЯ И ЭЛЕКТРИКА
FIT
1:1
100%

Артикул

Название

Примечание

Количество

1

415-06-13220

COMBINATION LAMP A.,REAR, L.H.

SN: 10001-UP

1шт.

1

415-06-13210

COMBINATION LAMP A.,REAR, R.H.

SN: 10001-UP

1шт.

1

415-06-13270

LENS,L.H.

SN: 10001-UP

1шт.

1

415-06-13260

LENS,R.H.

SN: 10001-UP

1шт.

1

08104-12420

BULB, 25/10W

SN: 10001-UP

1шт.

1

08105-12420

BULB, 25W

SN: 10001-UP

2шт.

1

08102-02403

BULB, 3W

SN: 10001-UP

1шт.

2

01580-10504

NUT

SN: 10001-UP

8шт.

3

01641-20508

WASHER

SN: 10001-UP

8шт.

4

421-06-13440

BOX,L.H.

SN: 20001-UP

1шт.

5

421-06-13450

BOX,R.H.

SN: 20001-UP

1шт.

6

424-06-14191

PLATE

SN: 20001-UP

2шт.

7

01435-01016

BOLT

SN: 20001-UP

4шт.

8

01435-01016

BOLT

SN: 20001-UP

4шт.

9

09415-05016

CAP

SN: 20001-UP

2шт.

10

424-06-12132

WIRE ASS'Y

SN: 20001-UP

1шт.

11

08052-01711

CLIP

SN: 20001-UP

2шт.

12

01220-40608

SCREW

SN: 20001-UP

2шт.

13

01641-20608

WASHER

SN: 20001-UP

2шт.

14

424-06-12122

WIRE ASS'Y

SN: 10001-UP

1шт.

15

421-06-13202

WORK LAMP ASS'Y

SN: 10001-UP

2шт.

15

22W-06-12170

BULB

SN: 10001-UP

1шт.

15

421-06-13120

CUSHION

SN: 10001-UP

4шт.

16

08034-00536

BAND

SN: 10001-UP

1шт.

17

08164-00000

BUZZER

SN: 20055-UP

1шт.

17

427-06-11310

BUZZER

SN: 20001-20054

1шт.

18

424-06-19122

BRACKET

SN: 20055-UP

1шт.

18

0

BRACKET

SN: 20001-20054

1шт.

19

6132-11-6460

BOLT

SN: 20055-UP

2шт.

19

01220-40512

SCREW

SN: 20001-20054

4шт.

20

01640-20816

WASHER

SN: 20055-UP

2шт.

20

01641-20508

WASHER

SN: 20001-20054

8шт.

21

01580-10504

NUT

SN: 20001-20054

4шт.

22

01010-51020

BOLT

SN: 20001-UP

2шт.

23

01643-31032

WASHER

SN: 20001-UP

2шт.

Выбрано товаров: 0