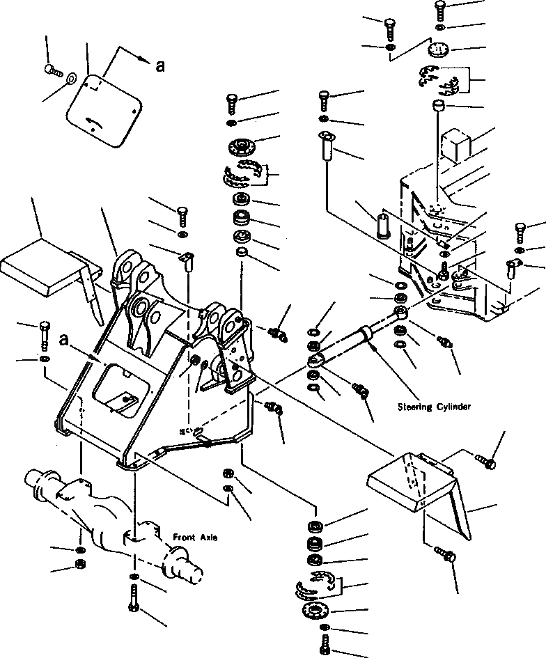
Запчасти Komatsu WA380-1LC FIG NO. ПЕРЕДН. РАМА РАМА, ЧАСТИ КОРПУСА & SUPERSTRUCTURE

Схема запчастей Komatsu WA380-1LC - FIG NO. ПЕРЕДН. РАМА РАМА, ЧАСТИ КОРПУСА & SUPERSTRUCTURE
17
19
18
39
38
20
15
16
7
29
10
8
30
5
28
6
44
11
36
1
4
12
37
36
3
14
35
37
4
13
35
9
34
2
34
33
40
33
33
41
34
31
47
48
33
34
45
32
21
42
43
23
41
22
41
23
42
25
41
46
24
40
27
26
39A
FIT
1:1
100%

Артикул

Название

Примечание

Количество

1

423-46-11220

FRAME, FRONT - W/O ECSS

1шт.

1

423-S99-1210

FRAME, FRONT - W/ECSS

1шт.

2

07020-00675

FITTING, GREASE

1шт.

3

421-46-11361

BEARING

1шт.

4

421-46-11750

SEAL, DUST

2шт.

5

421-46-11710

RETAINER

1шт.

6

421-46-11371

SHIM, 0.1MM

20шт.

|$7

421-46-11381

SHIM, 0.5MM

20шт.

7

01010-31240

BOLT

10шт.

8

01643-31232

WASHER

10шт.

9

424-46-11171

SPACER

1шт.

10

424-46-11160

SPACER

1шт.

11

424-46-11182

SHAFT

1шт.

12

419-70-11340

PLATE

1шт.

13

01010-31630

BOLT

1шт.

14

01643-31645

WASHER

1шт.

15

421-46-11421

COVER

1шт.

16

421-46-11430

SHIM, 0.2MM

10шт.

|$18

421-46-11440

SHIM, 0.5MM

8шт.

|$19

421-46-11450

SHIM, 1.0MM

4шт.

17

01010-31695

BOLT

4шт.

18

01643-31645

WASHER

4шт.

19

01010-31250

BOLT

6шт.

20

01643-31232

WASHER

6шт.

21

07020-00675

FITTING, GREASE

1шт.

22

421-46-11361

BEARING

1шт.

23

07011-00080

SEAL, DUST

2шт.

24

421-46-11470

RETAINER

1шт.

25

421-46-11371

SHIM, 0.1MM

20шт.

|$29

421-46-11381

SHIM, 0.5MM

20шт.

26

01010-31235

BOLT

10шт.

27

01643-31232

WASHER

10шт.

28

421-46-11461

SHAFT

1шт.

29

01010-31625

BOLT

1шт.

30

421-70-11280

WASHER

1шт.

31

07020-00000

FITTING, GREASE

2шт.

32

07020-00675

FITTING, GREASE

2шт.

33

424-09-12310

SEAL, DUST

8шт.

34

424-46-12540

SHIM, 0.5MM

8шт.

|$39

416-70-11350

SHIM, 1.0MM

8шт.

35

424-46-12120

PIN, MOUNT STEERING CYLINDER

4шт.

36

01010-51220

BOLT, MOUNT PIN

4шт.

37

175-54-34170

WASHER

4шт.

38

423-46-11121

COVER, FRONT ACCESS

1шт.

39

01010-51230

BOLT, MOUNT ACCESS COVER

3шт.

39A

124-54-26540

WASHER

3шт.

40

01011-62770

BOLT, MOUNT FRONT AXLE

8шт.

41

01643-32780

WASHER

16шт.

42

01580-02722

NUT

8шт.

43

423-54-11772

FENDER, FRONT - L.H

1шт.

44

423-54-11782

FENDER, FRONT - R.H

1шт.

45

01435-01235

BOLT, MOUNT FRONT FENDERS

2шт.

46

01435-01225

BOLT, MOUNT FRONT FENDERS

4шт.

47

01580-11210

NUT

2шт.

48

01643-31232

WASHER

2шт.

Выбрано товаров: 55