Запчасти Komatsu WA380-1LC FIG NO. КРЕПЛЕНИЕ РАДИАТОРА КОМПОНЕНТЫ ДВИГАТЕЛЯ & ЭЛЕКТРИКА

Схема запчастей Komatsu WA380-1LC - FIG NO. КРЕПЛЕНИЕ РАДИАТОРА КОМПОНЕНТЫ ДВИГАТЕЛЯ & ЭЛЕКТРИКА
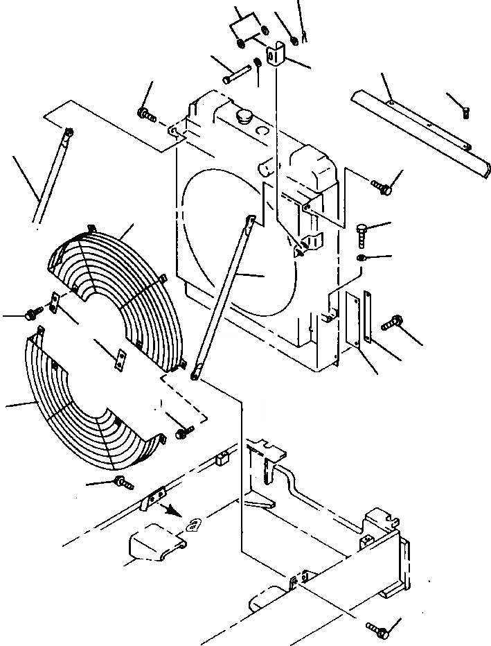
16
17
17
14
5
13
15
6
17
12
13
1
10
11
12
4
3
9
8
7
2
1
13
13
FIT
1:1
100%

Артикул

Название

Примечание

Количество

1

423-03-11610

GUARD, ENGINE FAN - TOP

1шт.

|$25

OR

-1шт.

|$1

423-963-1530

GUARD, ENGINE FAN - TOP

1шт.

|$2

423-03-11610

GUARD, ENGINE FAN - BOTTOM

1шт.

|$26

OR

-1шт.

2

01435-01016

BOLT

8шт.

3

416-03-11420

PLATE

2шт.

4

01435-00812

BOLT

4шт.

5

424-03-11764

PLATE

1шт.

6

01435-01020

BOLT

3шт.

7

424-03-11781

RUBBER

2шт.

8

424-03-11821

PLATE

2шт.

9

01435-01016

BOLT

4шт.

10

01010-31430

BOLT

2шт.

11

01643-31445

WASHER

2шт.

12

424-03-11810

STAY - L.H.

1шт.

|$27

423-963-1540

STAY - L.H.

1шт.

|$28

424-03-11810

STAY - R.H.

1шт.

13

01435-01225

BOLT

4шт.

14

424-54-14330

PIN

1шт.

15

424-54-14340

STOPPER

1шт.

16

04050-13022

PIN, COTTER

1шт.

17

01641-01223

WASHER

4шт.

|$29

-1шт.

|$21

F1 - FOR MACHINES WITHOUT AIR CONDITIONING.

-1шт.

|$30

-1шт.

|$31

-1шт.

|$24

F2 - FOR MACHINES WITH AIR CONDITIONING.

-1шт.

|$32

-1шт.

Выбрано товаров: 0