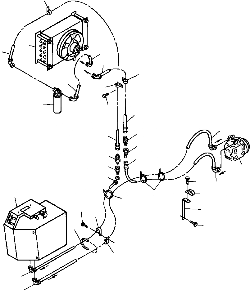
Запчасти Komatsu WA380-1LC FIG NO. ТРУБКИ КОНДИЦИОНЕРА - заводской номер A9 И BEНИЗ., EXCEPT A КОНДЕНСАТОР - КОМПРЕССОР ЛИНИИ РАМА, ЧАСТИ КОРПУСА & SUPERSTRUCTURE

Схема запчастей Komatsu WA380-1LC - FIG NO. ТРУБКИ КОНДИЦИОНЕРА - заводской номер A9 И BEНИЗ., EXCEPT A КОНДЕНСАТОР - КОМПРЕССОР ЛИНИИ РАМА, ЧАСТИ КОРПУСА & SUPERSTRUCTURE
20
6
9
7
5
20
7
20
8
22
5
14
4
9
3
10
2
11
1
12
16
2
19
15
13
19
21
17
20
18
19
20
12
14
FIT
1:1
100%

Артикул

Название

Примечание

Количество

1

COMPRESSOR (SEE PG 05-144)

-29шт.

2

09488-70616

HOSE, AT COMPRESSOR

1шт.

3

423-T46-1280

CONNECTOR

1шт.

4

423-T46-1260

CONNECTOR

1шт.

5

09488-70607

HOSE, AT CONDENSER

1шт.

6

CONDENSER (SEE PG 05-142)

-29шт.

7

423-963-1370

HOSE, CONDENSER TO RECEIVER TANK

1шт.

8

RECEIVER TANK (SEE PG 05-142)

-29шт.

9

423-963-1380

HOSE, RECEIVER TANK TO AIR CONDITIONER

1шт.

10

423-T46-1270

CONNECTOR

1шт.

11

423-T46-1290

CONNECTOR

1шт.

12

423-963-1390

HOSE, RECEIVER TANK TO AIR CONDITIONER

1шт.

13

AIR CONDITIONER UNIT (SEE PG 05-136)

-29шт.

14

423-963-1520

HOSE, AIR CONDITIONER TO COMPRESSOR

1шт.

15

175-804-3230

CLAMP, HOSE

1шт.

16

01435-01020

BOLT

1шт.

17

423-963-1510

PLATE

1шт.

18

01435-01020

BOLT

1шт.

19

08034-00536

STRAP, TIE

4шт.

20

421-09-12170

CLAMP, HOSE

5шт.

21

01435-01220

BOLT

1шт.

22

01435-01016

BOLT

1шт.

|$22

423-963-1700

KIT, HOSE (CONDENSER TO COMPRESSOR LINES)

1шт.

|$25

-1шт.

|$24

F1 - INCLUDED IN HOSE KIT 423-963-1700.

-1шт.

|$26

-1шт.

Выбрано товаров: 0