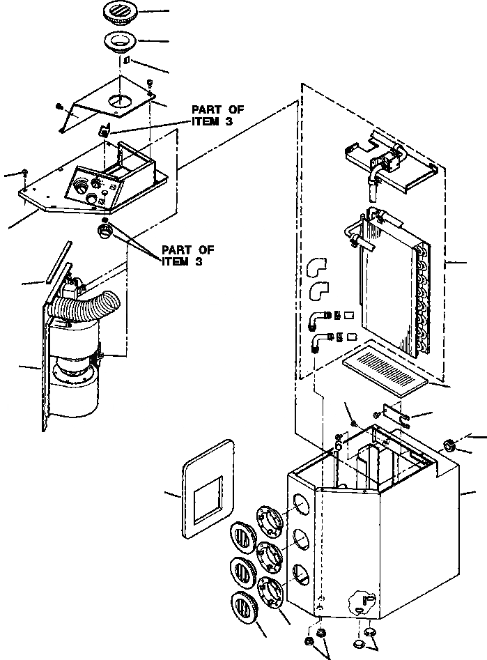
Запчасти Komatsu WA380-1LC FIG NO. 9 ОТОПИТЕЛЬ заводской номер A И UP РАМА, ЧАСТИ КОРПУСА & SUPERSTRUCTURE

Схема запчастей Komatsu WA380-1LC - FIG NO. 9 ОТОПИТЕЛЬ заводской номер A И UP РАМА, ЧАСТИ КОРПУСА & SUPERSTRUCTURE
9
19
10
16
8
17
5
13
3
12
11
4
15
14
6
1
7
9
2
18
FIT
1:1
100%

Артикул

Название

Примечание

Количество

|$0

425-942-A010

UNIT ASSY, HEATER

1шт.

1

425-963-A620

HOUSING, WELDMENT

1шт.

2

425-942-A220

PLUG, HOLE

2шт.

3

COIL, HEATER (SEE PG 05-158)

-29шт.

4

FAN (SEE PG 05-160)

-29шт.

5

COVER (SEE PG 05-164)

-29шт.

6

425-963-A980

GROMMET

1шт.

7

425-963-AB30

MOUNT, VENT

3шт.

8

425-963-A540

PLATE, TOP, SWITCH BOX

1шт.

9

425-963-AB20

VENT

4шт.

10

HARNESS, WIRING

1шт.

11

425-963-A560

PLATE, COVER

1шт.

12

425-963-A990

GROMMET

2шт.

13

425-963-A590

GASKET, FOAM

1шт.

14

425-963-A550

SUPPORT, COIL

1шт.

15

425-963-A860

BOLT, 1/4-20 X 1/2 TORX TRUSS

3шт.

16

425-963-A850

BOLT, #10-32 X 1/2 TORX TRUSS

13шт.

17

425-963-AE90

FOAM, FAN

1шт.

18

425-963-AB10

ADAPTER, HOSE

1шт.

19

425-963-A750

CLIP, HOSE

3шт.

Выбрано товаров: 20