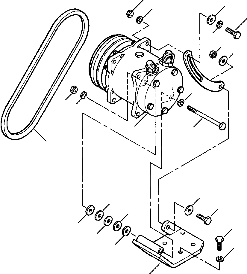
Запчасти Komatsu WA380-1LC FIG NO. КОНДИЦ. ВОЗДУХА КОМПРЕССОР КРЕПЛЕНИЕ заводской номер A, A7 И UP РАМА, ЧАСТИ КОРПУСА & SUPERSTRUCTURE

Схема запчастей Komatsu WA380-1LC - FIG NO. КОНДИЦ. ВОЗДУХА КОМПРЕССОР КРЕПЛЕНИЕ заводской номер A, A7 И UP РАМА, ЧАСТИ КОРПУСА & SUPERSTRUCTURE
18
19
17
16
17
15
14
3
8
9
8
1
7
4
14
12
13
10
5
12
11
6
10
2
FIT
1:1
100%

Артикул

Название

Примечание

Количество

1

425-963-A230

COMPRESSOR

1шт.

2

423-963-A270

BRACKET, MOUNTING

1шт.

3

423-963-A280

ARM, TENSIONER

1шт.

4

423-963-A110

V-BELT, 47-1/2 IN

1шт.

5

01010-51035

BOLT

4шт.

6

01643-31032

WASHER

4шт.

7

01011-51030

BOLT

1шт.

8

01643-31032

WASHER

2шт.

9

01598-11011

NUT, NYLON LOCK

1шт.

10

425-963-A410

SHIM, 0.015 IN

2шт.

11

425-963-A420

SHIM, 0.010 IN

1шт.

12

425-963-A430

SHIM, 0.005 IN

2шт.

13

01010-51030

BOLT

1шт.

14

01643-31032

WASHER

2шт.

15

01580-11008

NUT

1шт.

16

01010-50835

BOLT

1шт.

17

01643-30823

WASHER

2шт.

18

01580-10806

NUT

1шт.

19

425-963-A250

BUSHING

1шт.

|$19

425-963-A260

DECAL, WARNING

1шт.

|$20

425-963-A460

WIRE, ADAPTER

1шт.

Выбрано товаров: 0