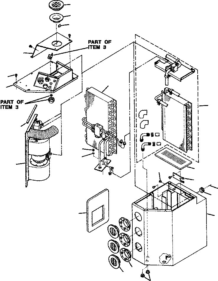
Запчасти Komatsu WA380-1LC FIG NO. ОБОГРЕВАТЕЛЬ. И КОНДИЦ. БЛОК заводской номер A, A7 И UP РАМА, ЧАСТИ КОРПУСА & SUPERSTRUCTURE

Схема запчастей Komatsu WA380-1LC - FIG NO. ОБОГРЕВАТЕЛЬ. И КОНДИЦ. БЛОК заводской номер A, A7 И UP РАМА, ЧАСТИ КОРПУСА & SUPERSTRUCTURE
9
20
21
8
16
5
19
4
18
17
13
9
7
12
1
6
11
14
15
3
2
10
FIT
1:1
100%

Артикул

Название

Примечание

Количество

|$0

425-963-A010

UNIT ASSY, HEATER AND AIR CONDITIONER

1шт.

1

425-963-A620

HOUSING, WELDMENT

1шт.

2

COIL, EVAPORATOR (SEE PG 05-186)

-29шт.

3

COIL, HEATER (SEE PG 05-178)

-29шт.

4

FAN (SEE PG 05-180)

-29шт.

5

COVER (SEE PG 05-184)

-29шт.

6

425-963-A980

GROMMET

1шт.

7

425-963-AB30

MOUNT, VENT

3шт.

8

425-963-A540

PLATE, TOP, SWITCH BOX

1шт.

9

425-963-AB20

VENT

4шт.

10

HARNESS, WIRING

1шт.

11

425-963-A560

PLATE, COVER

1шт.

12

425-963-A990

GROMMET

2шт.

13

425-963-A590

GASKET, FOAM

1шт.

14

425-963-A550

SUPPORT, COIL

1шт.

15

425-963-A860

BOLT, 1/4-20 X 1/2 TORX TRUSS

3шт.

16

425-963-A850

BOLT, #10-32 X 1/2 TORX TRUSS

13шт.

17

120 380

WASHER, 1/4 LOCKING

1шт.

18

01580-10605

NUT, M6

1шт.

19

425-963-AE90

FOAM, FAN

1шт.

20

425-963-AB10

ADAPTER, HOSE

1шт.

21

425-963-A750

CLIP, HOSE

3шт.

Выбрано товаров: 22