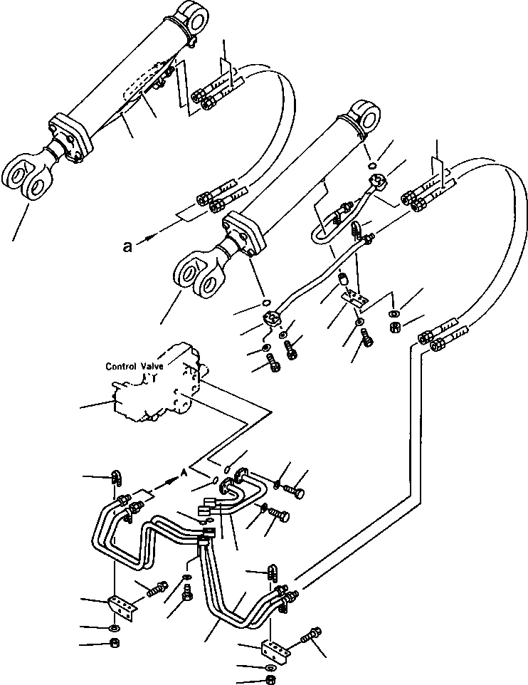
Запчасти Komatsu WA380-1LC FIG NO. ГИДРОЛИНИЯ ЦИЛИНДР СТРЕЛЫS УПРАВЛ-Е РАБОЧИМ ОБОРУДОВАНИЕМ

Схема запчастей Komatsu WA380-1LC - FIG NO. ГИДРОЛИНИЯ ЦИЛИНДР СТРЕЛЫS УПРАВЛ-Е РАБОЧИМ ОБОРУДОВАНИЕМ
6
7
6
9
8
7
19
12
21
18
20
9
10
12
16
8
17
11
27
3
4
19
3
23
5
26
22
19
15
2
14
25
24
21
13
20
1
15
21
20
5A
4A
17A
10A
11A
FIT
1:1
100%

Артикул

Название

Примечание

Количество

1

423-62-13511

TUBE

1шт.

2

423-62-13531

TUBE

1шт.

3

07000-13035

O-RING

2шт.

4

07372-21035

BOLT

4шт.

4A

01643-51032

WASHER

4шт.

5

07372-21040

BOLT

4шт.

5A

01643-51032

WASHER

4шт.

6

07123-00611

HOSE

4шт.

7

419-62-13810

TUBE

2шт.

8

423-62-13690

TUBE

2шт.

9

07000-13035

O-RING

4шт.

10

07372-21055

BOLT

8шт.

10A

01643-31032

WASHER

8шт.

11

07372-21055

BOLT

8шт.

11A

01643-51032

WASHER

8шт.

12

CYLINDER, BOOM (SEE PG 06-034)

-29шт.

13

423-62-13710

BRACKET, L.H

1шт.

14

423-62-13720

BRACKET, R.H

1шт.

15

01435-01230

BOLT

4шт.

16

419-62-13380

PLATE

2шт.

17

01010-51255

BOLT

2шт.

17A

01643-31032

WASHER

2шт.

18

419-62-13390

SPACER

2шт.

19

07283-22738

CLIP

8шт.

20

01597-01009

NUT

16шт.

21

01643-31032

WASHER

16шт.

22

423-62-13870

TUBE - W/O ECSS

1шт.

23

07000-13035

O-RING

2шт.

24

07372-21060

BOLT

8шт.

25

01643-51032

WASHER

8шт.

26

423-62-13840

TUBE - W/O ECSS

1шт.

27

VALVE, 2 SPOOL CONTROL (SEE PG 06-018)

-29шт.

|$32

VALVE, 3 SPOOL CONTROL (SEE PG 06-022)

-29шт.

Выбрано товаров: 33