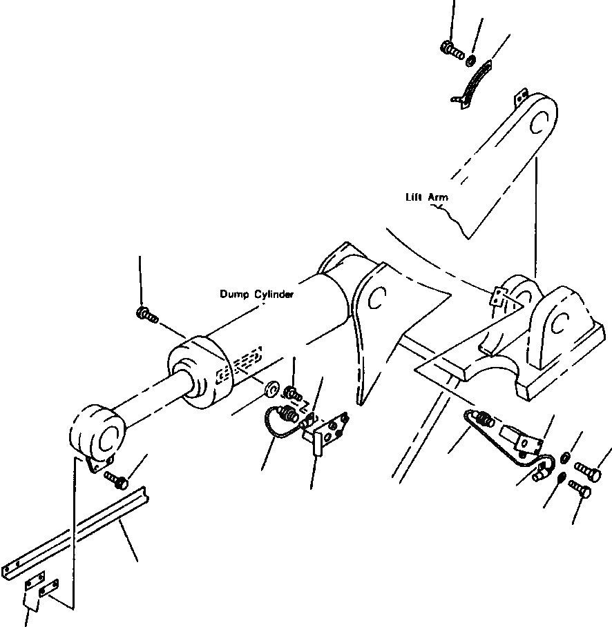
Запчасти Komatsu WA380-1LC FIG NO. КОНЦЕВ. ВЫКЛЮЧ-ЛЬ ПОДЪЕМА СТРЕЛЫ И КОВШ ПОЗИЦИОНЕР УПРАВЛ-Е РАБОЧИМ ОБОРУДОВАНИЕМ

Схема запчастей Komatsu WA380-1LC - FIG NO. КОНЦЕВ. ВЫКЛЮЧ-ЛЬ ПОДЪЕМА СТРЕЛЫ И КОВШ ПОЗИЦИОНЕР УПРАВЛ-Е РАБОЧИМ ОБОРУДОВАНИЕМ
6
7
5
10
15
14
2
4
18
3
13
1
8
14
9
17
16
11
12
FIT
1:1
100%

Артикул

Название

Примечание

Количество

1

421-06-11166

SWITCH, BOOM KICK-OUT

1шт.

2

421-43-19140

PLATE

1шт.

3

01010-51225

BOLT

2шт.

4

01643-31232

WASHER

2шт.

5

421-43-19131

PLATE

1шт.

6

01010-51220

BOLT

2шт.

7

01643-31232

WASHER

2шт.

8

421-06-11166

SWITCH, BUCKET POSITIONER

1шт.

9

423-43-19150

PLATE

1шт.

10

01435-01235

BOLT

2шт.

11

423-43-19160

ANGLE

1шт.

12

6113-63-1630

SHIM, 0.2MM

2шт.

|$12

6113-63-1640

SHIM, 0.5MM

1шт.

13

01435-01235

BOLT

2шт.

14

423-06-12640

CLIP

2шт.

15

01435-01020

BOLT

1шт.

16

01010-51016

BOLT

1шт.

17

01643-31032

WASHER

1шт.

18

01642-21216

WASHER

1шт.

|$19

01643-31232

WASHER

1шт.

Выбрано товаров: 20