Запчасти Komatsu WA380-1LC ПЕРЕДН. ПРИВОД КРЫШКАС PTO ACCESS БЛОК ЦИЛИНДРОВ

Схема запчастей Komatsu WA380-1LC - ПЕРЕДН. ПРИВОД КРЫШКАС PTO ACCESS БЛОК ЦИЛИНДРОВ
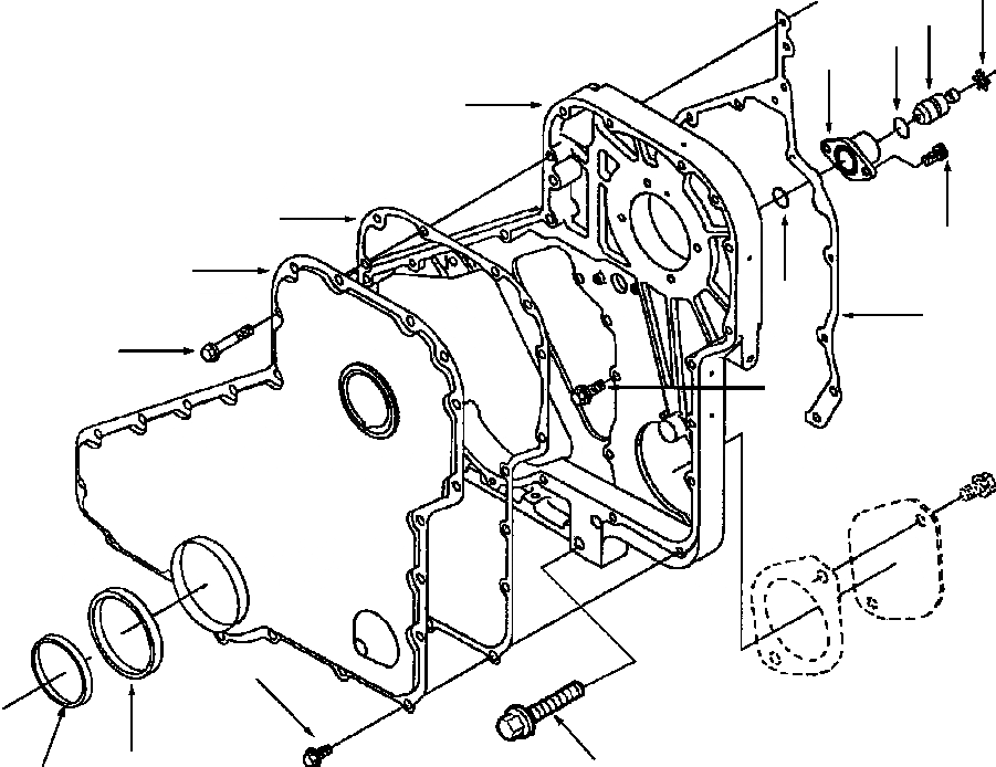
6
5
8
7
11
12
4
14
10
9
2
15
1
3
13
16
FIT
1:1
100%

Артикул

Название

Примечание

Количество

1

6736-21-5310

BOLT - M8x16

16шт.

2

6742-01-0530

BOLT - M8x50

6шт.

3

6742-01-3780

BOLT - M12x50

4шт.

4

6732-21-3160

SCREW, ROUND HEAD

2шт.

5

6732-21-3140

PIN, TIMING

1шт.

6

6732-21-3150

RING, RETAINING

1шт.

7

6732-21-3180

HOUSING, TIMING PIN

1шт.

8

6732-21-3870

SEAL, O-RING

1шт.

9

6742-01-1030

GASKET, GEAR HOUSING

1шт.

10

6732-21-3880

SEAL, RECTANGULAR RING

1шт.

11

6742-01-0580

HOUSING, GEAR

1шт.

12

6742-01-1070

GASKET, GEAR COVER

1шт.

|$12

6742-01-0550

KIT, FRONT GEAR COVER SERVICE

1шт.

13

NSS

SEAL, OIL

1шт.

14

1307 191 H1

COVER, GEAR

1шт.

15

6732-71-3220

BOLT - M8x20

5шт.

16

6742-01-3320

SHIELD, DUST

1шт.

|$$18

-1шт.

|$18

F1 - INCLUDES INSTALLATION TOOLS.

-1шт.

|$$20

-1шт.

Выбрано товаров: 20