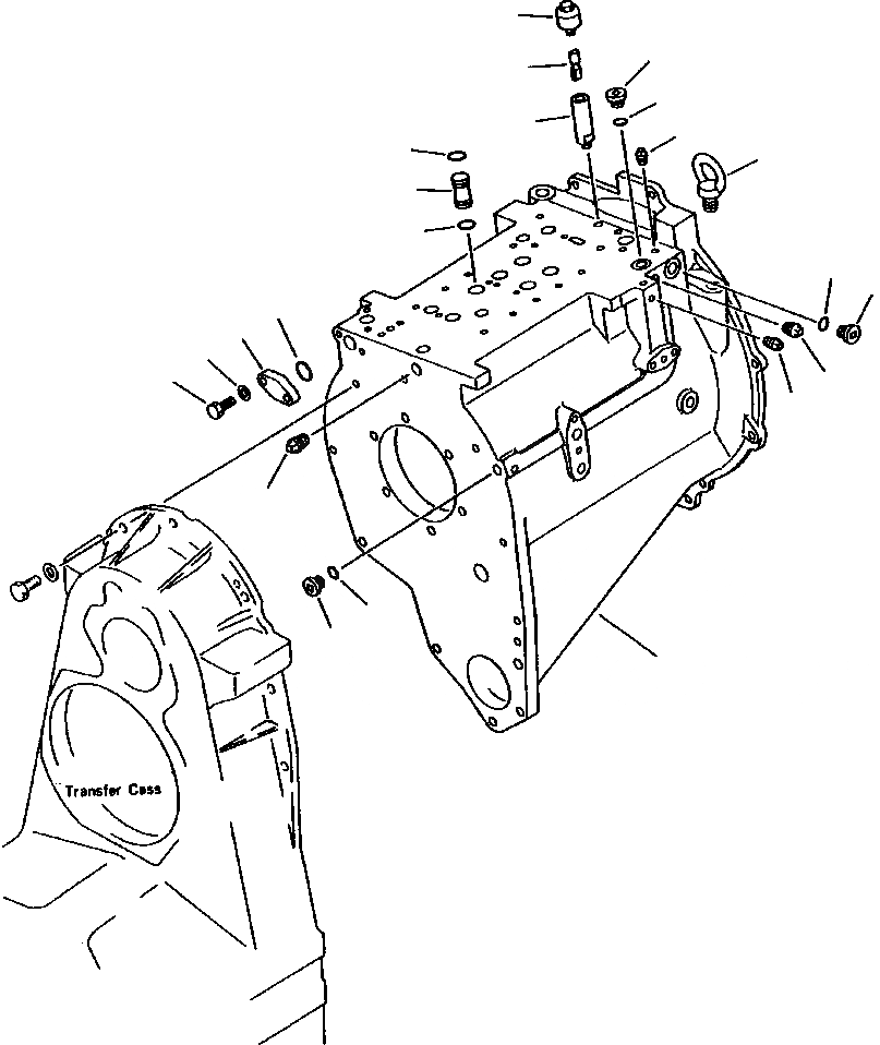
Запчасти Komatsu WA380-1LC FIG NO. КОРПУС ТРАНСМИССИИ ГИДРОТРАНСФОРМАТОР И ТРАНСМИССИЯ

Схема запчастей Komatsu WA380-1LC - FIG NO. КОРПУС ТРАНСМИССИИ ГИДРОТРАНСФОРМАТОР И ТРАНСМИССИЯ
14
6
13
7
12
2
15
17
16
17
7
6
9
8
11
10
4
3
5
7
6
1
FIT
1:1
100%

Артикул

Название

Примечание

Количество

|$0

423-15-00013

TRANSMISSION ASSY

1шт.

|$1

423-15-00101

CASE ASSY, TRANSMISSION

1шт.

1

NSS

CASE

1шт.

2

07042-30108

PLUG

1шт.

3

07042-30211

PLUG

3шт.

4

07042-70312

PLUG

2шт.

5

07042-30415

PLUG

2шт.

6

07040-12414

PLUG

3шт.

7

07002-02434

O-RING, PLUG

3шт.

8

421-15-11390

FLANGE

2шт.

9

07000-73032

O-RING, FLANGE

2шт.

10

01010-51030

BOLT, FLANGE MOUNTING

4шт.

11

01643-31032

WASHER

4шт.

12

124-15-41680

BOSS

1шт.

13

124-15-41690

PIN

1шт.

14

07030-10252

BREATHER

1шт.

15

04530-12030

BOLT, LIFTING EYE

2шт.

16

421-15-11310

SLEEVE

5шт.

17

07000-72021

O-RING, SLEEVE

10шт.

|$19

SERVICE KIT, TRANSMISSION (SEE PG 02-042)

-29шт.

|$$21

-1шт.

|$21

F1 - INCLUDED IN TRANSMISSION SERVICE KIT 423-15-05121.

-1шт.

|$$23

-1шт.

Выбрано товаров: 23