Запчасти Komatsu WA380-1LC FIG NO. WET БАК - СУХ. БАК ВОЗДУХОВОД ВЕДУЩ. ВАЛ, МОСТS КОЛЕСА & ТОРМОЗ. СИСТЕМАS

Схема запчастей Komatsu WA380-1LC - FIG NO. WET БАК - СУХ. БАК ВОЗДУХОВОД ВЕДУЩ. ВАЛ, МОСТS КОЛЕСА & ТОРМОЗ. СИСТЕМАS
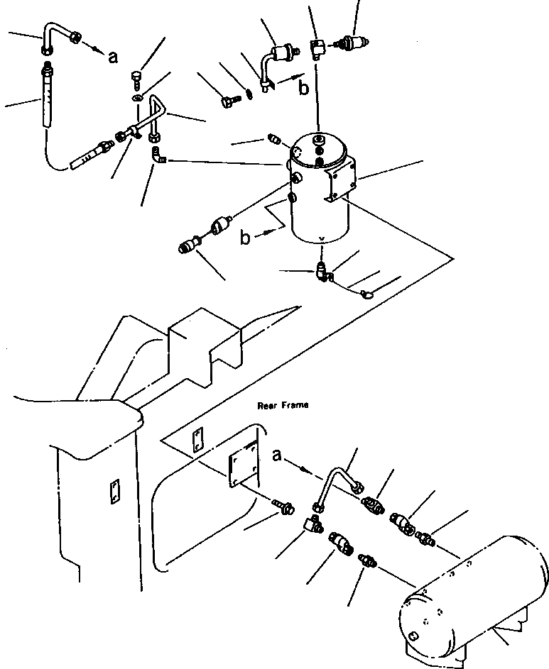
4
3
5
17
24
6
8
25
16
15
2
1
23
12
11
10
12
9
19
18
21
22
13
20
21
22
26
14
7
FIT
1:1
100%

Артикул

Название

Примечание

Количество

1

424-35-15114

TANK, WET AIR

1шт.

2

07042-70415

PLUG

1шт.

3

421-35-13230

JOINT

1шт.

4

421-35-12290

VALVE, SAFETY

1шт.

5

7861-99-1400

SENSOR, AIR GAUGE

1шт.

6

08036-01214

CLIP

1шт.

7

01010-51016

BOLT

1шт.

8

01643-31032

WASHER

1шт.

9

7861-99-1500

SENSOR, AIR PRESSURE

1шт.

10

22X-44-11210

COCK, WET TANK DRAIN

1шт.

11

421-35-14360

WIRE

1шт.

12

421-35-14370

RING

2шт.

13

01435-01225

BOLT

4шт.

14

421-09-12530

ELBOW

1шт.

15

423-35-11183

TUBE

1шт.

16

423-35-11720

HOSE

1шт.

17

421-35-12825

TUBE

1шт.

18

421-09-12570

TEE

1шт.

19

421-35-12825

TUBE

1шт.

20

421-09-12550

ELBOW

1шт.

21

421-35-12190

VALVE, CHECK

2шт.

22

07325-30300

NIPPLE

2шт.

23

08035-01510

CLIP

1шт.

24

01010-51016

BOLT

1шт.

25

01643-31032

WASHER

1шт.

26

TANK, DRY AIR (SEE PG 03-052)

-29шт.

Выбрано товаров: 26