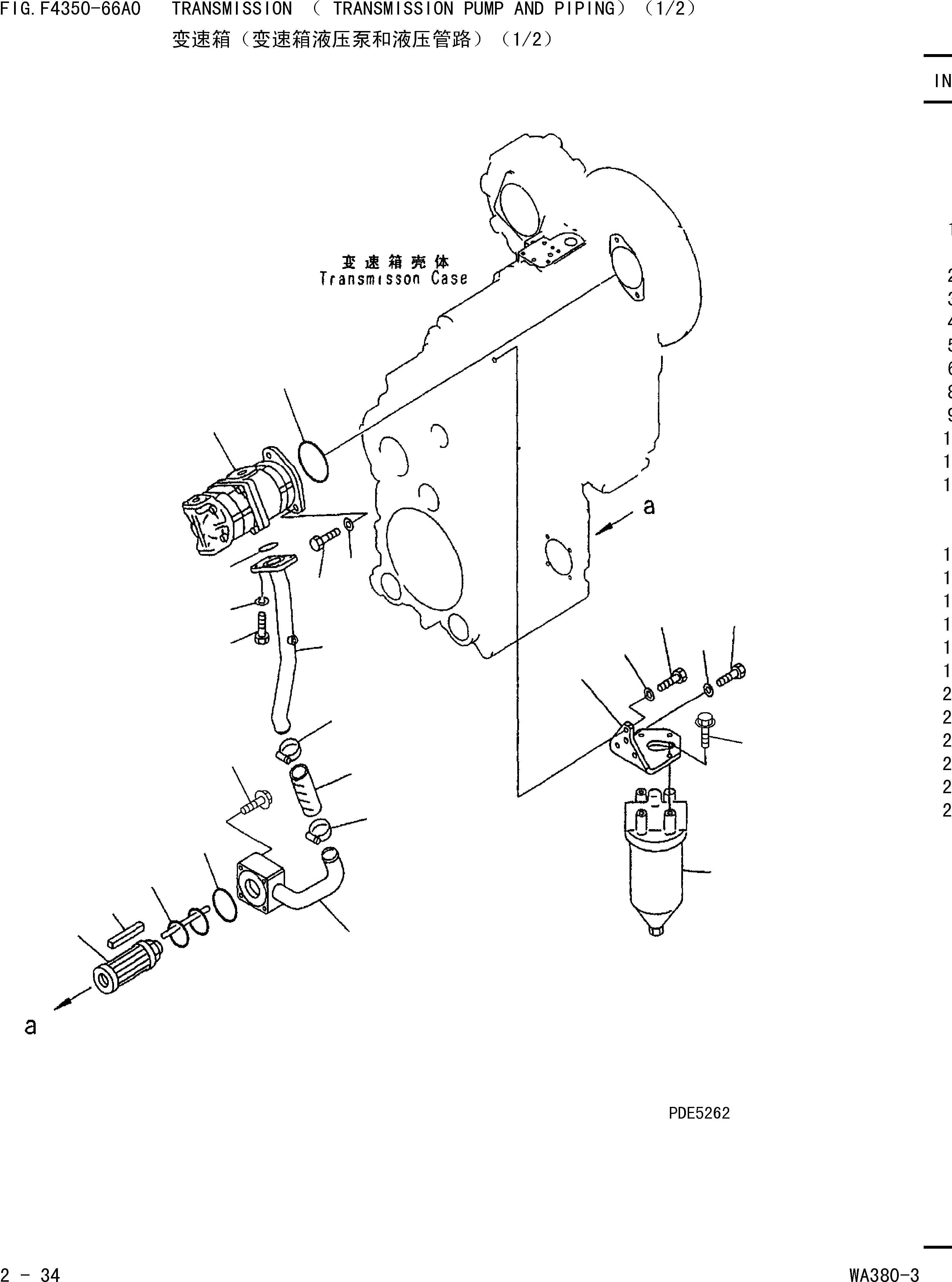
Запчасти Komatsu WA380-3 ТРАНСМИССИЯ (НАСОС ТРАНСМИССИИ И ТРУБЫ)(/) [ТРАНСМИССИЯ]

Схема запчастей Komatsu WA380-3 - ТРАНСМИССИЯ (НАСОС ТРАНСМИССИИ И ТРУБЫ)(/) [ТРАНСМИССИЯ]
2
1
8
9
10
11
5
6
12
21
20
21
22
3
4
23
25
24
18
17
14
15
16
13
FIT
1:1
100%

Артикул

Название

Примечание

Количество

|$0

714-12-10011

TRANSMISSION ASS'Y THESE ASSEMBLIES CONSISTS OF ALL PARTS SHOWN IN FIGS.F4350-51A0 TO F4350-71A0 SHOWN IN FIGS.F4350-51A0 TO F4350-71A0

Field_1: 16001-

1шт.

1

705-51-20440

PUMP ASS'Y (SAL45+20)(SEE FIG.Y1600-01A0 AND 02A0)

Field_1: 16001-

1шт.

2

07000-12105

O-RING(K3)

Field_1: 16001-

1шт.

3

01010-81235

BOLT

Field_1: 16001-

2шт.

4

01643-31232

WASHER

Field_1: 16001-

2шт.

5

714-12-18780

SUPPORT

Field_1: 16001-

1шт.

6

01024-81035

BOLT

Field_1: 16001-

4шт.

8

01010-81235

BOLT

Field_1: 16001-

1шт.

9

01643-31232

WASHER

Field_1: 16001-

1шт.

10

01010-81280

BOLT

Field_1: 16001-

2шт.

11

01643-31232

WASHER

Field_1: 16001-

2шт.

12

714-07-28702

FILTER ASS'Y

Field_1: 16001-

1шт.

|$12

714-07-28712

CARTRIDGE ASS'Y

Field_1: 16001-

1шт.

|$13

419-15-14510

STRAINER ASS'Y

Field_1: 16001-

1шт.

13

419-15-14650

STRAINER

Field_1: 16001-

1шт.

14

419-15-14660

SPRING,SUPPORT

Field_1: 16001-

1шт.

15

417-15-14660

MAGNET

Field_1: 16001-

5шт.

16

714-12-18130

FLANGE

Field_1: 16001-

1шт.

17

07000-12085

O-RING

Field_1: 16001-

1шт.

18

01024-81080

BOLT

Field_1: 16001-

4шт.

20

419-15-14752

HOST

Field_1: 16001-

1шт.

21

07281-00489

CLAMP

Field_1: 16001-

2шт.

22

714-12-18150

TUBE

Field_1: 16001-

1шт.

23

07000-73048

O-RING

Field_1: 16001-

1шт.

24

01010-81235

BOLT

Field_1: 16001-

4шт.

25

01602-21236

WASHER,SPRING

Field_1: 16001-

4шт.

Выбрано товаров: 26