Качественные детали и логистика
Оригинальные и аналоговые запчасти с доставкой по России, Казахстану и Беларуси
©2022 PartSell ООО "Система" ИНН 2463123282 ОГРН 1212400004838
Центральный офис: г. Красноярск, Академика Киренского, д.87, пом.4
Телефон: 8 (800) 777-65-74 Email: zakaz@partsell.ru
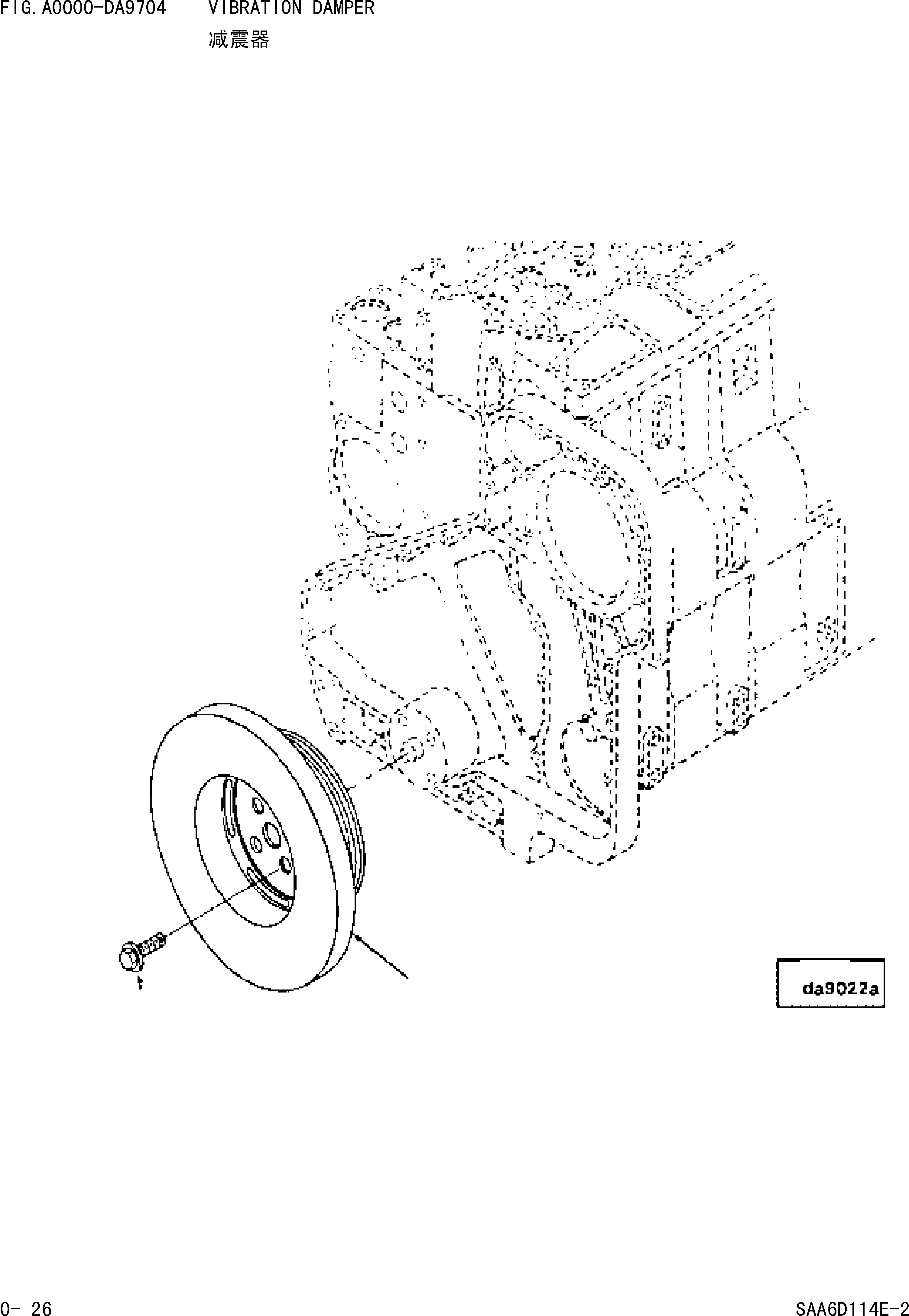
ДЕМПФЕР
№
Артикул
Название
Примечание
Количество
1
1307695H1
DAMPER,VIBRATION.
Field_1: 21677326-
1шт.
2
6742-01-1890
SCREW,M14ЎБ1.50ЎБ35.
4шт.
Выбрано товаров: 0