Запчасти Komatsu WA380-3 БЛОК ЦИЛИНДРОВ [ДВИГАТЕЛЬ]

Схема запчастей Komatsu WA380-3 - БЛОК ЦИЛИНДРОВ [ДВИГАТЕЛЬ]
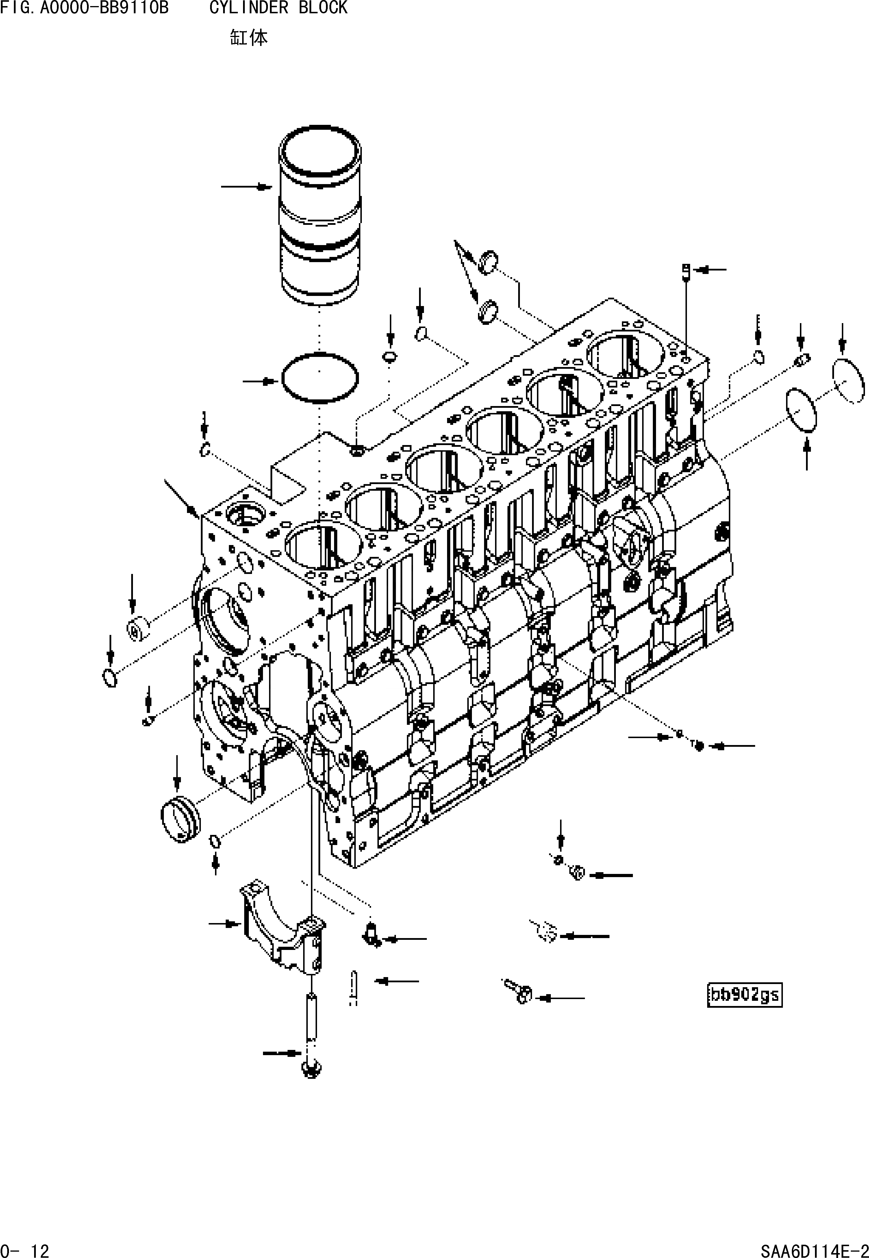
18
4
3
19
3
1
17
2
13
7
3
10
11
12
20
21
22
23
5
6
15
16
14
3
14
9
8
FIT
1:1
100%

Артикул

Название

Примечание

Количество

1

6741-21-1123

BLOCK,CYLIINDER.

Field_1: 21677326-

1шт.

2

1240888H1

PLUG,EXPANSION.

Field_1: 21677326-

2шт.

3

6742-01-1370

PLUG,EXPANSION.

Field_1: 21677326-

4шт.

4

6732-21-1810

PLUG,EXPANSION.

Field_1: 21677326-

3шт.

7

6742-01-5160

BUSHING.

Field_1: 21677326-

7шт.

8

6742-01-1420

PLUG,EXPANSION.

Field_1: 21677326-

4шт.

9

6741-21-1140

SCREW,HEX FLANGE HEAD CAP.

Field_1: 21677326-

14шт.

10

6741-21-1130

CAP,MAIN BEARING.

Field_1: 21677326-

7шт.

|$8

6743-01-1220

KIT,CYL BLOCK HARDWARE.

Field_1: 21677326-

1шт.

|$9

6732-21-1960

PLUG,THREADED,M10ЎБ1.00ЎБ9.5.

Field_1: 21677326-

6шт.

5

6215-81-9510

PLUG,THREADED,M10ЎБ1.00ЎБ9.5.

Field_1: 21677326-

1шт.

6

6215-81-9710

SEAL,O-RING,M10ЎБ1.00.

Field_1: 21677326-

1шт.

11

6742-01-1450

DRAINCOCK.

Field_1: 21677326-

1шт.

12

6742-01-3890

NOZZLE,PISTON COOLING.

Field_1: 21677326-

12шт.

13

6732-21-6120

DOWEL,PIN.

Field_1: 21677326-

2шт.

14

6732-01-1470

DOWEL,PIN.

Field_1: 21677326-

-1шт.

15

6742-01-1480

PLUG,EXPANSION.

Field_1: 21677326-

1шт.

16

6742-01-4080

SEAL,O-RING.

Field_1: 21677326-

1шт.

17

6742-01-1460

PLUG,PIPE,1 NPT.

Field_1: 21677326-

1шт.

18

6741-21-2210

LINER,CYLINDER.

Field_1: 21677326-

6шт.

19

6742-01-1520

SEAL.

Field_1: 21677326-

6шт.

|$21

6735-21-1910

PLUG,THREADED.

Field_1: 21677326-

1шт.

20

6735-21-1930

SEAL,O-RING.

Field_1: 21677326-

1шт.

21

6735-21-1920

PLUG,THREADED.

Field_1: 21677326-

1шт.

22

6732-11-1910

PLUG,PIPE,1/2 NPT.

Field_1: 21677326-

1шт.

Выбрано товаров: 0