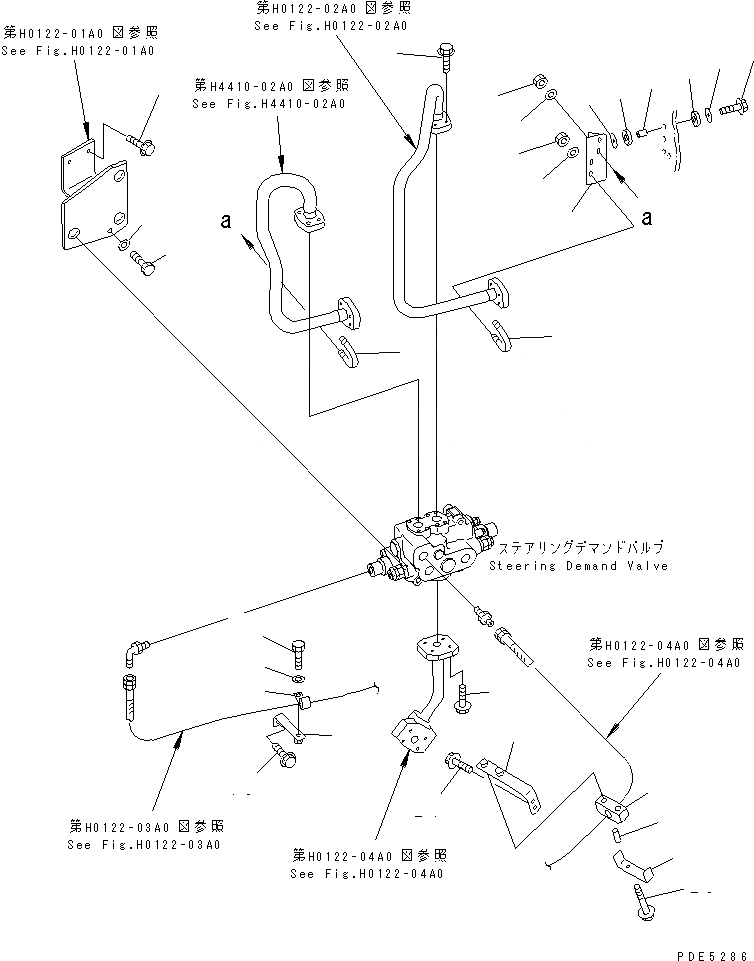
Запчасти Komatsu WA380-3 КЛАПАН РУЛЕВОГО УПРАВЛЕНИЯ (ГИДРАВЛИКА РУЛ. УПРАВЛЕНИЯ КРЕПЛЕНИЕ) ГИДРАВЛИКА

Схема запчастей Komatsu WA380-3 - КЛАПАН РУЛЕВОГО УПРАВЛЕНИЯ (ГИДРАВЛИКА РУЛ. УПРАВЛЕНИЯ КРЕПЛЕНИЕ) ГИДРАВЛИКА
1
2
3
4
5
6
7
8
9
9
10
11
12
13
14
15
16
17
18
19
20
21
22
23
24
25
26
27
28
FIT
1:1
100%

Артикул

Название

Примечание

Количество

1

07283-23442

CLIP

SN: 53001-UP

1шт.

2

01643-31032

WASHER

SN: 53001-UP

2шт.

3

01597-01009

NUT

SN: 53001-UP

2шт.

4

01435-01040

BOLT

SN: 53001-UP

4шт.

5

07283-23442

CLIP

SN: 53001-UP

1шт.

6

01643-31032

WASHER

SN: 53001-UP

2шт.

7

01597-01009

NUT

SN: 53001-UP

2шт.

8

423-62-21611

BRACKET

SN: 53001-UP

1шт.

9

419-43-17920

WASHER

SN: 53001-UP

4шт.

10

415-64-13130

CUSHION

SN: 53001-UP

2шт.

11

417-54-13470

SPACER

SN: 53001-UP

2шт.

12

419-43-17930

CUSHION

SN: 53001-UP

2шт.

13

01435-01050

BOLT

SN: 53001-UP

2шт.

14

421-62-12140

PLATE

SN: 53001-UP

1шт.

15

01435-01016

BOLT

SN: 53001-UP

1шт.

16

08036-01814

CLIP

SN: 53001-UP

1шт.

17

01010-81020

BOLT

SN: 53001-UP

1шт.

18

01643-31032

WASHER

SN: 53001-UP

1шт.

19

421-62-18480

SPACER

SN: 53001-UP

1шт.

20

421-62-18490

PLATE

SN: 53001-UP

1шт.

21

421-62-18510

CLAMP

SN: 53001-UP

1шт.

22

421-62-23390

BRACKET

SN: 53001-UP

1шт.

23

01435-01060

BOLT

SN: 53001-UP

2шт.

24

01435-01020

BOLT

SN: 53001-UP

2шт.

25

01435-01035

BOLT

SN: 53001-UP

4шт.

26

01435-01225

BOLT

SN: 53001-UP

2шт.

27

01643-31232

WASHER

SN: 53001-UP

1шт.

28

01010-81235

BOLT

SN: 53001-UP

1шт.

Выбрано товаров: 28