Запчасти Komatsu WA380-3 РАДИАТОР (СИСТЕМА ТРУБ РАДИАТОРА) СИСТЕМА ОХЛАЖДЕНИЯ

Схема запчастей Komatsu WA380-3 - РАДИАТОР (СИСТЕМА ТРУБ РАДИАТОРА) СИСТЕМА ОХЛАЖДЕНИЯ
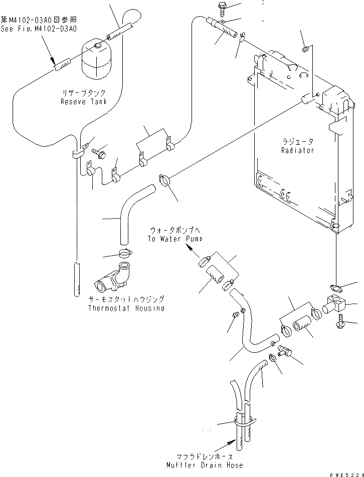
1
2
3
4
5
6
6
7
7
7
7
8
9
10
11
12
13
13
14
15
15A
15A
15A
15A
15B
16
17
FIT
1:1
100%

Артикул

Название

Примечание

Количество

1

423-03-22160

HOSE

SN: 53001-UP

1шт.

2

423-03-11521

TUBE

SN: 53001-UP

1шт.

3

423-03-11360

GASKET

SN: 53001-UP

1шт.

4

01435-01290

BOLT

SN: 54142-UP

2шт.

4

01435-01280

BOLT

SN: 53001-54141

2шт.

5

423-03-22121

TUBE

SN: 53001-UP

1шт.

6

421-03-22160

HOSE

SN: 54001-UP

2шт.

6

421-03-11340

HOSE

SN: 53001-53999

2шт.

7

07289-00070

CLAMP

SN: 53001-UP

6шт.

8

07730-30004

VALVE

SN: 53001-UP

1шт.

9

07260-21480

HOSE

SN: 53001-UP

1шт.

10

07042-70108

PLUG

SN: 53001-UP

2шт.

11

08034-20519

BAND

SN: 53001-UP

1шт.

12

01435-01016

BOLT

SN: 53001-UP

1шт.

13

423-03-22130

HOSE

SN: 53001-UP

1шт.

14

206-03-43340

CLIP

SN: 53001-UP

1шт.

15

175-01-23160

CLIP

SN: 53001-UP

1шт.

15A

04434-51210

CLIP

SN: 53001-UP

5шт.

15B

01435-01016

BOLT

SN: 53001-UP

5шт.

16

07281-00259

CLAMP

SN: 53001-UP

1шт.

17

07042-70415

PLUG

SN: 53001-UP

2шт.

Выбрано товаров: 21