Запчасти Komatsu WA380-3 КАБИНА ROPS (ЭЛЕКТРИКА) КАБИНА ОПЕРАТОРА И СИСТЕМА УПРАВЛЕНИЯ

Схема запчастей Komatsu WA380-3 - КАБИНА ROPS (ЭЛЕКТРИКА) КАБИНА ОПЕРАТОРА И СИСТЕМА УПРАВЛЕНИЯ
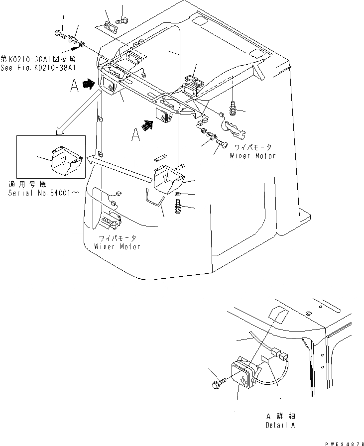
1
2
3
3A
4
5
6
7
8
9
10
11
12
13
13
14
14
15
15
FIT
1:1
100%

Артикул

Название

Примечание

Количество

|$2

424-926-2200

ROPS CAB ASS'Y

SN: 54001-UP

1шт.

|$3

423-926-2010

ROPS CAB ASS'Y

SN: 53001-53999

1шт.

|$$3

THESE ASSEMBLIES CONSIST OF ALL PARTS SHOWN IN FIGS.K0210-31A1 TO K0210-48A1.

-1шт.

1

421-06-23360

LAMP ASS'Y,WORK

SN: 53001-UP

2шт.

1

421-06-23320

LENS

SN: 53001-UP

1шт.

1

421-06-23330

BULB, 70W

SN: 53001-UP

1шт.

2

01435-01220

BOLT

SN: 53001-UP

2шт.

3

421-56-21680

FASTENER

SN: 53001-UP

4шт.

3A

424-926-2260

COVER

SN: 54001-UP

2шт.

4

421-56-21330

COVER,L.H.

SN: 53001-53999

1шт.

5

421-56-21340

COVER,R.H.

SN: 53001-53999

1шт.

6

421-56-21350

SEAL

SN: 53001-UP

2шт.

7

01023-70512

SCREW

SN: 53001-UP

8шт.

8

01642-40608

WASHER

SN: 53001-UP

8шт.

9

421-56-21420

PANEL,SWITCH

SN: 53001-UP

2шт.

10

01224-70516

SCREW

SN: 53001-UP

4шт.

11

421-06-26210

LAMP ASS'Y,ROOM

SN: 53001-UP

1шт.

11

421-06-26250

LENS

SN: 53001-UP

2шт.

11

421-06-26260

BULB, 10W

SN: 53001-UP

2шт.

12

01023-70512

SCREW

SN: 53001-UP

2шт.

13

421-56-21730

SWITCH,DOOR

SN: 53001-UP

2шт.

14

01220-70512

SCREW

SN: 53001-UP

2шт.

15

424-926-2320

WIRING HARNESS

SN: 54001-UP

1шт.

15

425-56-21650

WIRING HARNESS

SN: 53001-53999

1шт.

Выбрано товаров: 24