Запчасти Komatsu WA380-3 ГИДРОТРАНСФОРМАТОР И ТРАНСМИССИЯ (СТОЯНОЧНЫЙ ТОРМОЗ И МАСЛООХЛАДИТЕЛЬ ТРУБЫ) (С ЭКСТРЕНН. УПРАВЛ.) ТРАНСМИССИЯ

Схема запчастей Komatsu WA380-3 - ГИДРОТРАНСФОРМАТОР И ТРАНСМИССИЯ (СТОЯНОЧНЫЙ ТОРМОЗ И МАСЛООХЛАДИТЕЛЬ ТРУБЫ) (С ЭКСТРЕНН. УПРАВЛ.) ТРАНСМИССИЯ
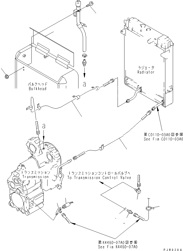
1
2
3
4
5
6
7
8
9
10
FIT
1:1
100%

Артикул

Название

Примечание

Количество

1

421-43-27980

TEE

SN: 53001-UP

1шт.

2

205-62-55270

NIPPLE

SN: 53001-UP

1шт.

3

07002-11423

O-RING

SN: 53001-UP

1шт.

4

19M-60-15320

ELBOW

SN: 53001-UP

1шт.

5

08034-20519

BAND

SN: 53001-UP

1шт.

6

423-43-22120

SWITCH,PRESSURE

SN: 54001-UP

1шт.

6

421-43-22941

SWITCH,PRESSURE

SN: 53001-53999

1шт.

7

07102-21011

HOSE

SN: 53001-UP

1шт.

8

07102-21022

HOSE

SN: 53001-UP

1шт.

9

01435-01016

BOLT

SN: 53001-UP

2шт.

10

01584-01008

NUT

SN: 53001-UP

2шт.

Выбрано товаров: 11