Запчасти Komatsu WA380-3 ГИДРАВЛ-НАСОС НАСОСS ДЛЯ ГИДРАВЛИКА

Схема запчастей Komatsu WA380-3 - ГИДРАВЛ-НАСОС НАСОСS ДЛЯ ГИДРАВЛИКА
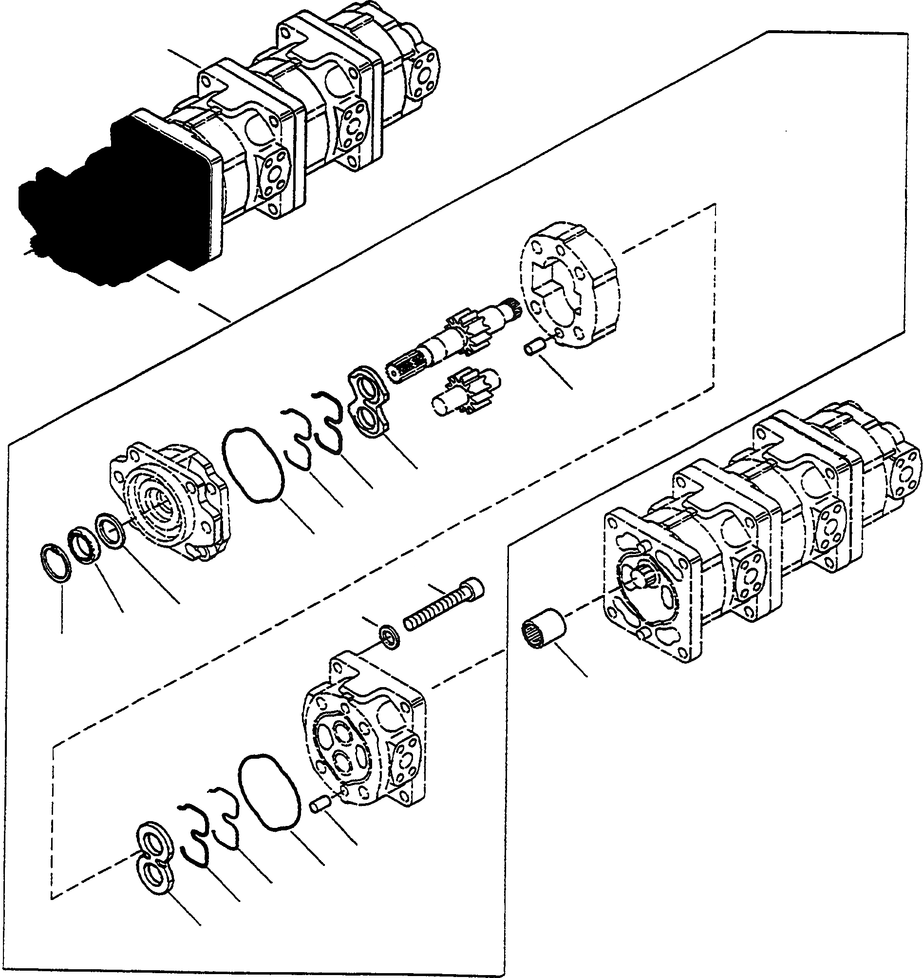
1
2
10
6
8
7
9
11
12
3
4
5
13
10
9
7
8
6
FIT
1:1
100%

Артикул

Название

Примечание

Количество

1

705-55-34180

HYDRAULIC PUMP

SN: 20206

1шт.

2

705-21-40020

HYDRAULIC PUMP

1шт.

3

705-17-03870

RING

1шт.

4

705-17-03811

SEAL

1шт.

5

04065-05220

SNAP RING

1шт.

6

705-17-03610

PLATE

2шт.

7

705-17-03443

BACK-UP RING

2шт.

8

705-17-03473

SEAL

2шт.

9

705-17-03381

O-RING

2шт.

10

04020-01228

DOWEL

4шт.

11

705-17-03770

SCREW

4шт.

12

01643-51645

PLAIN WASHER

4шт.

13

705-17-03330

COUPLING

1шт.

Выбрано товаров: 13