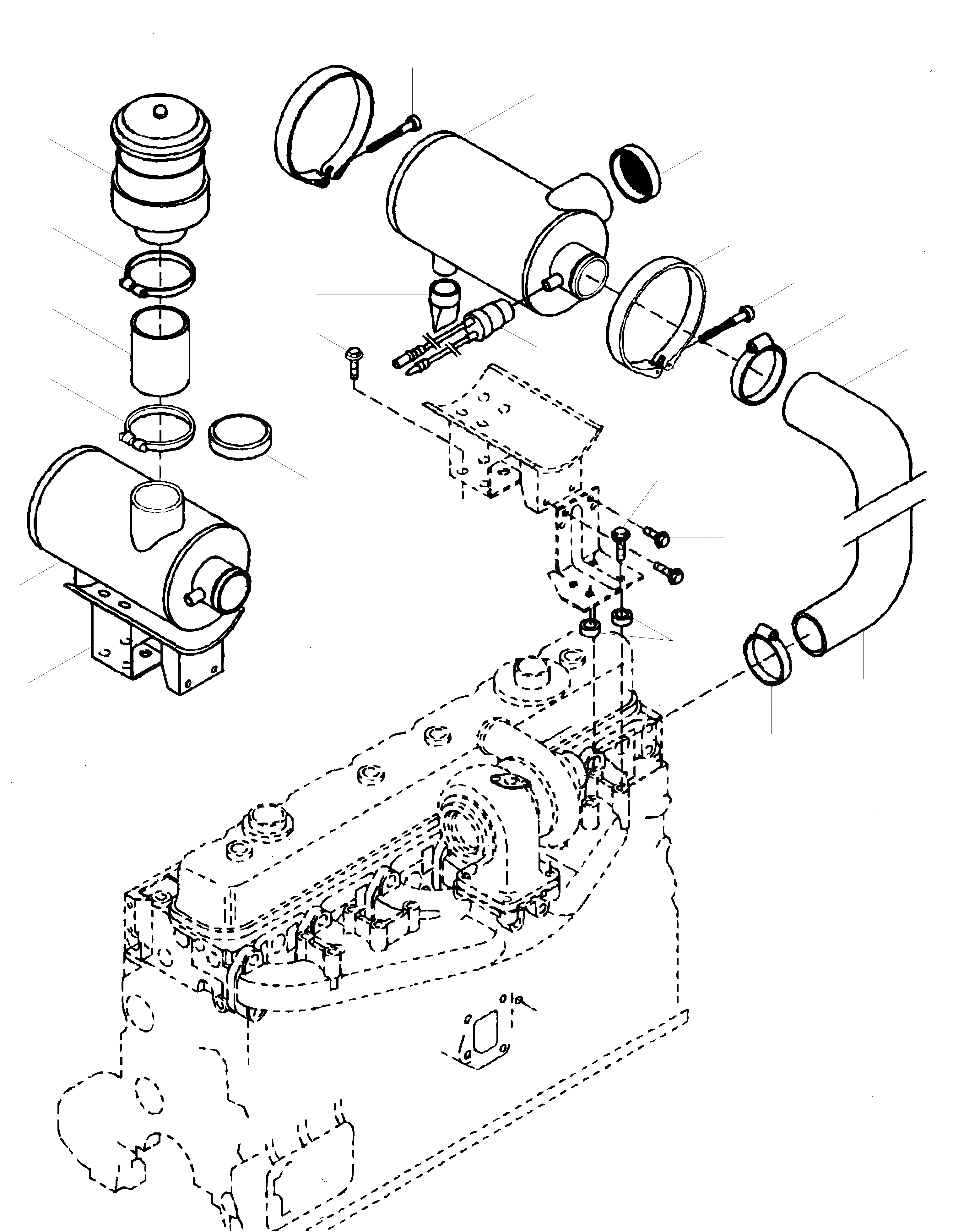
Запчасти Komatsu WA380-3 ВОЗД. ФИЛЬТР. СИСТЕМА, СТАНДАРТН. ДВИГАТЕЛЬ, КРЕПЛЕНИЕ ДВИГАТЕЛЯ

Схема запчастей Komatsu WA380-3 - ВОЗД. ФИЛЬТР. СИСТЕМА, СТАНДАРТН. ДВИГАТЕЛЬ, КРЕПЛЕНИЕ ДВИГАТЕЛЯ
1
2
3
1
1A
4
5
5
6
7
8
9
9
10
11
12
13
14
15
17
17
16
18
3
4
FIT
1:1
100%

Артикул

Название

Примечание

Количество

1

6222-81-7500

AIR FILTER

SN: 20458

1шт.

|$20

AIR FILTER

DeutschDesc: LUFTFILTER

-3шт.

1A

6222-83-7500

AIR FILTER

SN: 20459-UP

1шт.

|$21

AIR FILTER

DeutschDesc: LUFTFILTER

-3шт.

2

600-181-1370

VALVE

DeutschDesc: VENTIL

1шт.

3

6222-81-7190

CLIP

DeutschDesc: SCHELLE

2шт.

4

6643-11-4641

SCREW

DeutschDesc: SCHRAUBE

2шт.

5

01435-01025

SCREW

DeutschDesc: SCHRAUBE

4шт.

6

01435-01030

SCREW

DeutschDesc: SCHRAUBE

4шт.

7

6132-21-4630

DISTANCE PIECE

DeutschDesc: DISTANZSTUECK

4шт.

8

01435-01020

SCREW

DeutschDesc: SCHRAUBE

1шт.

9

6221-11-4450

HOSE

DeutschDesc: SCHLAUCH

1шт.

10

07289-00080

CLIP

DeutschDesc: SCHELLE

1шт.

11

07289-00130

CLIP

DeutschDesc: SCHELLE

1шт.

12

600-815-7940

SENDER

DeutschDesc: GEBER

1шт.

13

6138-81-8640

SIEVE

DeutschDesc: SIEB

1шт.

14

423-01-H1150

BRACKET

EnglischBem: TURBO II

1шт.

15

419-00-H0770

PRE SEPARATOR

EnglischBem: TURBO II

1шт.

16

419-00-H0780

HOSE

EnglischBem: TURBO II

1шт.

17

07281-01469

CLIP

EnglischBem: TURBO II

2шт.

18

421-01-H2190

ACCESS COVER

EnglischBem: TURBO II

1шт.

Выбрано товаров: 21