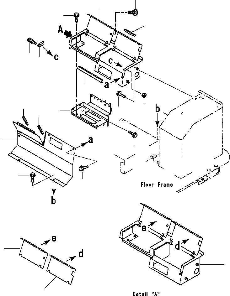
Запчасти Komatsu WA380-3L КОНСОЛЬН. БЛОК ЗАДН. -

Схема запчастей Komatsu WA380-3L - КОНСОЛЬН. БЛОК ЗАДН. -
12
1
10
5
7
6
4
14
8
16
9
14
13
11
15
15
3
1
2
FIT
1:1
100%

Артикул

Название

Примечание

Количество

1

421-54-22730

BOX, CONSOLE - REAR

1шт.

2

421-07-28261

INSULATOR

1шт.

3

418-54-22180

INSULATOR

1шт.

4

421-54-22480

SEAL

1шт.

5

421-54-22750

HANDLE

1шт.

6

421-09-21370

CATCH

1шт.

7

01023-70310

SCREW

2шт.

8

01580-10302

NUT

2шт.

9

421-54-22650

BRACKET

1шт.

10

01435-00814

BOLT

3шт.

11

01435-00814

BOLT

2шт.

12

421-09-21260

SCREW

1шт.

13

421-54-22740

COVER

1шт.

|$13

421-09-21360

HINGE, WELDED

2шт.

14

418-54-22190

CUSHION

2шт.

15

01435-00616

BOLT

5шт.

16

01435-00825

BOLT

2шт.

Выбрано товаров: 17