Запчасти Komatsu WA380-3L ЭЛЕКТРИКА ПЕРЕДН. ОСВЕЩЕНИЕS -

Схема запчастей Komatsu WA380-3L - ЭЛЕКТРИКА ПЕРЕДН. ОСВЕЩЕНИЕS -
22
10
13
6
14
23
15
1
24
14
2
15
3
3
12
2
20
11
19
18
21
16
9
4
17
25
25
5
8
7
FIT
1:1
100%

Артикул

Название

Примечание

Количество

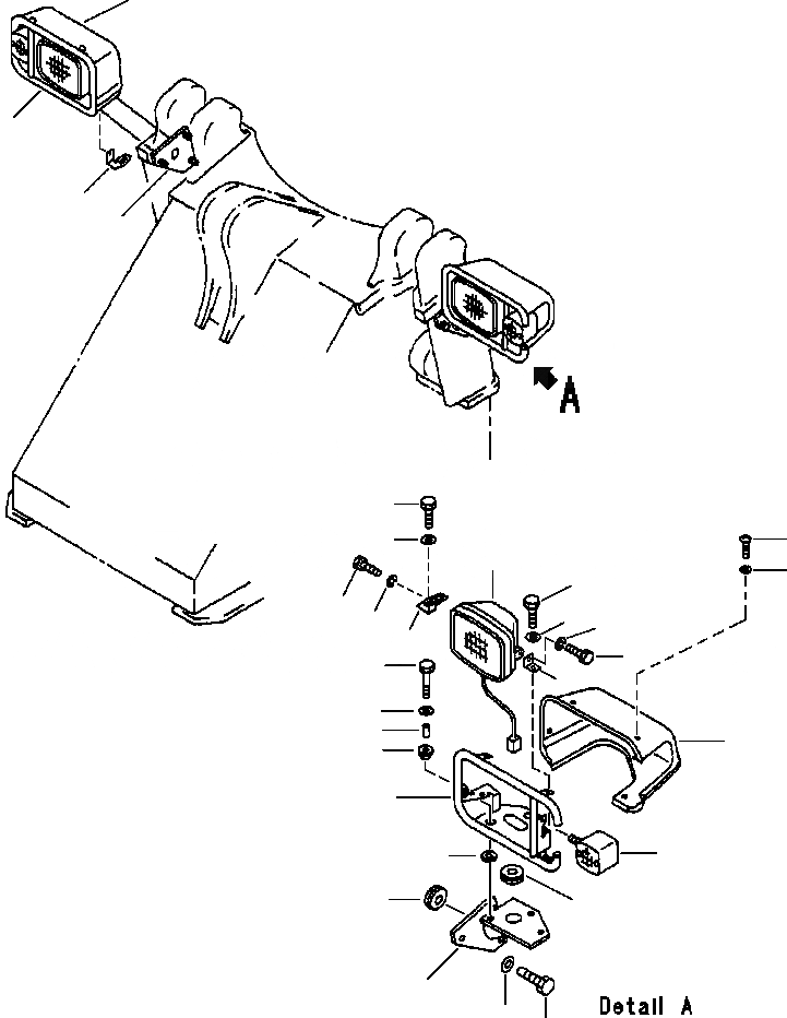
1

424-06-23210

LIGHT ASSEMBLY, HEAD

2шт.

|$1

424-06-23230

BULB, 75/70W

1шт.

|$2

424-06-23220

LENS

1шт.

2

01010-50825

BOLT

2шт.

3

01602-20825

WASHER

2шт.

4

41G-06-13201

LIGHT ASSEMBLY

2шт.

|$6

41G-06-13210

LENS, FRONT

1шт.

|$7

41G-06-13230

BULB, 5W

1шт.

|$8

08105-12420

BULB, 25W

1шт.

|$9

41G-06-13220

LENS, REAR

1шт.

|$10

01220-40425

SCREW

4шт.

5

423-06-23160

SUPPORT, LH

1шт.

6

423-06-23150

SUPPORT, RH

1шт.

7

01010-51230

BOLT

6шт.

8

01643-31232

WASHER

6шт.

9

421-06-23522

BRACKET, LH

1шт.

10

421-06-23532

BRACKET, RH

1шт.

11

421-06-23552

PLATE

2шт.

12

421-06-23630

PLATE, LH

1шт.

13

421-06-23640

PLATE, RH

1шт.

14

01010-51025

BOLT

4шт.

15

01643-31032

WASHER

4шт.

16

419-43-17930

CUSHION

6шт.

17

415-64-13130

CUSHION

6шт.

18

417-54-13470

SPACER

6шт.

19

419-43-17920

WASHER

6шт.

20

01435-01250

BOLT

6шт.

21

421-06-23611

COVER, LH

1шт.

22

421-06-23621

COVER, RH

1шт.

23

01220-40616

SCREW

10шт.

24

01643-30623

WASHER

10шт.

25

08037-03614

GROMMET

4шт.

Выбрано товаров: 32