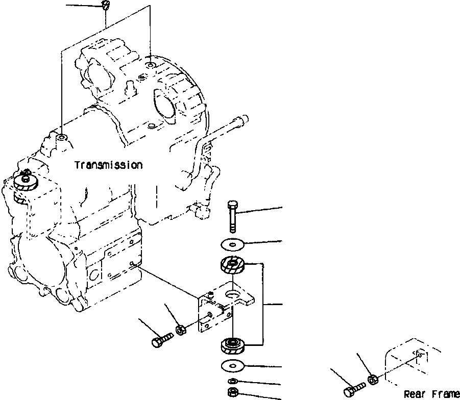
Запчасти Komatsu WA380-3MC FIG. F8-A ТРАНСМИССИЯ - ЭЛЕМЕНТЫ КРЕПЛЕНИЯ СИЛОВАЯ ПЕРЕДАЧА И КОНЕЧНАЯ ПЕРЕДАЧА

Схема запчастей Komatsu WA380-3MC - FIG. F8-A ТРАНСМИССИЯ - ЭЛЕМЕНТЫ КРЕПЛЕНИЯ СИЛОВАЯ ПЕРЕДАЧА И КОНЕЧНАЯ ПЕРЕДАЧА
10
6
5
3
4
2
3
1
7
9
8
FIT
1:1
100%

Артикул

Название

Примечание

Количество

1

01016-52070

BOLT

SN: A51001-UP-UP

3шт.

2

01016-52090

BOLT

SN: A51001-UP-UP

1шт.

3

01580-12016

NUT

SN: A51001-UP-UP

4шт.

4

425-01-11350

CUSHION

SN: A51001-UP-UP

4шт.

5

419-01-11162

WASHER

SN: A51001-UP-UP

2шт.

6

01011-62230

BOLT

SN: A51001-UP-UP

2шт.

7

419-01-11162

WASHER

SN: A51001-UP-UP

2шт.

8

01580-02218

NUT

SN: A51001-UP-UP

2шт.

9

01643-32060

WASHER

SN: A51001-UP-UP

2шт.

10

07049-02025

PLUG

SN: A51001-UP-UP

2шт.

Выбрано товаров: 10