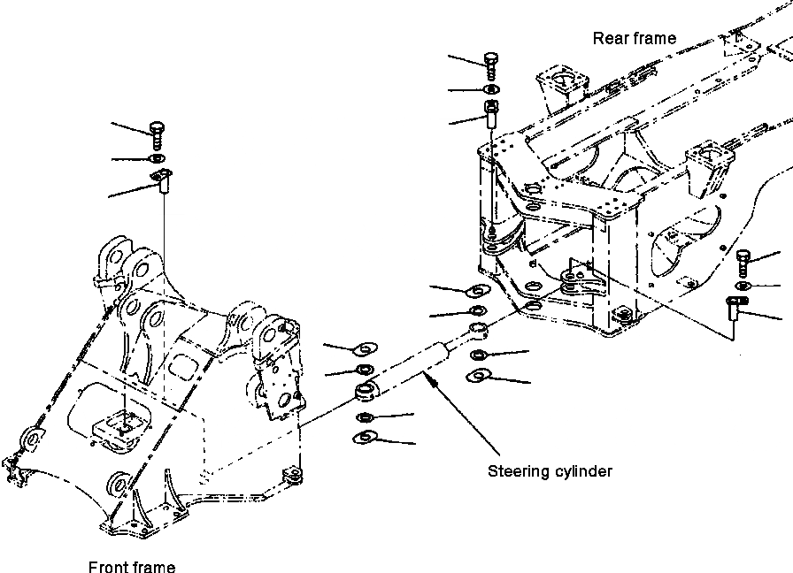
Запчасти Komatsu WA380-3MC FIG. J-A ЦИЛИНДР РУЛЕВ. УПР-Я - ПАЛЕЦS ОСНОВНАЯ РАМА И ЕЕ ЧАСТИ

Схема запчастей Komatsu WA380-3MC - FIG. J-A ЦИЛИНДР РУЛЕВ. УПР-Я - ПАЛЕЦS ОСНОВНАЯ РАМА И ЕЕ ЧАСТИ
4
5
4
3
5
1
4
7
5
6
2
7
6
6
7
6
7
FIT
1:1
100%

Артикул

Название

Примечание

Количество

1

423-46-21180

PIN

SN: A51001-UP-UP

2шт.

2

424-46-12120

PIN

SN: A51001-UP-UP

1шт.

3

424-46-12120

PIN

SN: A51001-UP-UP

1шт.

4

01010-81220

BOLT

SN: A51001-UP-UP

4шт.

5

175-54-34170

WASHER

SN: A51001-UP-UP

4шт.

6

416-70-11351

SHIM - 0.040 IN. (1.00 MM)

SN: A51001-UP-UP

8шт.

|$6

424-46-12541

SHIM - 0.020 IN. (0.50 MM)

SN: A51001-UP-UP

8шт.

7

423-46-22171

SHIM - 0.040 IN. (1.00 MM)

SN: A51001-UP-UP

8шт.

|$8

423-46-22181

SHIM - 0.020 IN. (0.50 MM)

SN: A51001-UP-UP

8шт.

Выбрано товаров: 9