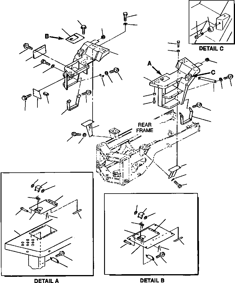
Запчасти Komatsu WA380-3MC FIG. M-A ЗАДН. КРЫЛО И ЛЕСТНИЦА ЧАСТИ КОРПУСА

Схема запчастей Komatsu WA380-3MC - FIG. M-A ЗАДН. КРЫЛО И ЛЕСТНИЦА ЧАСТИ КОРПУСА
48
38
15
49
39
43
12
38
39
11
47
46
43
32
33
1
35
36
34
30
31
29
28
27
37
45
44
37
47
40
40
24
25
26
23
26
9
6
25
9
2
7
21
18
21
8
13
10
19
42
3
1
14
41
20
22
12
5
17
4
16
FIT
1:1
100%

Артикул

Название

Примечание

Количество

1

423-54-24770

FLOOR, L.H.

SN: A51001-UP-UP

1шт.

2

416-09-12220

HINGE

SN: A51001-UP-UP

1шт.

3

423-54-24530

COVER

SN: A51001-UP-UP

1шт.

4

415-54-11640

PLATE

SN: A51001-UP-UP

1шт.

5

01435-01220

BOLT

SN: A51001-UP-UP

2шт.

6

415-54-11610

LATCH

SN: A51001-UP-UP

1шт.

7

415-54-11620

SPRING

SN: A51001-UP-UP

1шт.

8

415-54-11630

PIN

SN: A51001-UP-UP

1шт.

9

01643-30623

WASHER

SN: A51001-UP-UP

2шт.

10

04050-12015

PIN, COTTER

SN: A51001-UP-UP

1шт.

11

423-54-24780

FLOOR, R.H.

SN: A51001-UP-UP

1шт.

12

423-54-24660

COVER

SN: A51001-UP-UP

1шт.

13

416-09-12220

HINGE

SN: A51001-UP-UP

1шт.

14

423-54-24530

COVER

SN: A51001-UP-UP

1шт.

15

01435-01016

BOLT

SN: A51001-UP-UP

4шт.

16

415-54-11640

PLATE

SN: A51001-UP-UP

1шт.

17

01435-01220

BOLT

SN: A51001-UP-UP

2шт.

18

415-54-11610

LATCH

SN: A51001-UP-UP

1шт.

19

415-54-11620

SPRING

SN: A51001-UP-UP

1шт.

20

415-54-11630

PIN

SN: A51001-UP-UP

1шт.

21

01643-30623

WASHER

SN: A51001-UP-UP

2шт.

22

04050-12015

PIN, COTTER

SN: A51001-UP-UP

1шт.

23

419-54-24731

BRACKET, L.H.

SN: A51001-UP-UP

1шт.

24

419-54-24741

BRACKET, R.H.

SN: A51001-UP-UP

1шт.

25

01010-81635

BOLT

SN: A51001-UP-UP

4шт.

26

21T-54-16150

WASHER

SN: A51001-UP-UP

4шт.

27

01010-81230

BOLT

SN: A51001-UP-UP

2шт.

28

175-54-34170

WASHER

SN: A51001-UP-UP

2шт.

29

421-54-24680

PLATE

SN: A51001-UP-UP

1шт.

30

01435-01225

BOLT

SN: A51001-UP-UP

1шт.

31

01643-31232

WASHER

SN: A51001-UP-UP

1шт.

32

01010-81230

BOLT

SN: A51001-UP-UP

2шт.

33

175-54-34170

WASHER

SN: A51001-UP-UP

2шт.

34

423-54-24540

PLATE

SN: A51001-UP-UP

1шт.

35

01435-01225

BOLT

SN: A51001-UP-UP

2шт.

36

01643-31232

WASHER

SN: A51001-UP-UP

2шт.

37

01435-01020

BOLT

SN: A51001-UP-UP

8шт.

38

01010-81635

BOLT

SN: A51001-UP-UP

4шт.

39

21T-54-16150

WASHER

SN: A51001-UP-UP

4шт.

40

421-54-24410

STEP

SN: A51001-UP-UP

2шт.

41

417-54-24470

CUSHION

SN: A51001-UP-UP

2шт.

42

417-54-24470

CUSHION

SN: A51001-UP-UP

2шт.

43

363-54-32220

PLUG

SN: A51001-UP-UP

4шт.

44

423-54-24150

COVER

SN: A51001-UP-UP

1шт.

45

417-54-11270

SHEET

SN: A51001-UP-UP

1шт.

46

423-54-24670

COVER

SN: A51001-UP-UP

1шт.

47

01435-01016

BOLT

SN: A51001-UP-UP

7шт.

48

362-56-41470

STOPPER

SN: A51001-UP-UP

2шт.

49

01023-70430

SCREW

SN: A51001-UP-UP

2шт.

N/I

419-54-A2380

PLATE - ANTI-SKID

SN: A51001-UP-UP

2шт.

Выбрано товаров: 0