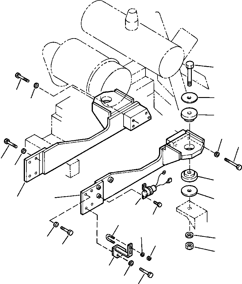
Запчасти Komatsu WA380-3MC FIG. B-A ДВИГАТЕЛЬ - КРЕПЛЕНИЕ КОМПОНЕНТЫ ДВИГАТЕЛЯ

Схема запчастей Komatsu WA380-3MC - FIG. B-A ДВИГАТЕЛЬ - КРЕПЛЕНИЕ КОМПОНЕНТЫ ДВИГАТЕЛЯ
20
10
19
9
18
4
5
8
11
18
1
7
19
21
22
13
14
17
6
15
3
16
12
6
2
FIT
1:1
100%

Артикул

Название

Примечание

Количество

1

423-01-21210

SUPPORT, L.H.

SN: A51001-UP-UP

1шт.

2

01010-81245

BOLT

SN: A51001-UP-UP

2шт.

3

01010-81240

BOLT

SN: A51001-UP-UP

2шт.

4

01643-31232

WASHER

SN: A51001-UP-UP

4шт.

5

01010-81255

BOLT

SN: A51001-UP-UP

4шт.

6

01643-31232

WASHER

SN: A51001-UP-UP

4шт.

7

423-01-21220

SUPPORT, R.H.

SN: A51001-UP-UP

1шт.

8

01010-81240

BOLT

SN: A51001-UP-UP

4шт.

9

01643-31232

WASHER

SN: A51001-UP-UP

4шт.

10

01010-81290

BOLT

SN: A51001-UP-UP

4шт.

11

01643-31232

WASHER

SN: A51001-UP-UP

4шт.

12

423-16-A1130

BRACKET

SN: A51001-UP-UP

1шт.

13

07283-22738

CLIP

SN: A51001-UP-UP

1шт.

14

01643-31032

WASHER

SN: A51001-UP-UP

4шт.

15

01597-01009

NUT

SN: A51001-UP-UP

2шт.

16

01580-02218

NUT

SN: A51001-UP-UP

2шт.

17

01643-32260

WASHER

SN: A51001-UP-UP

2шт.

18

418-01-11111

CUSHION

SN: A51001-UP-UP

1шт.

19

419-01-11162

WASHER

SN: A51001-UP-UP

2шт.

20

01011-62230

BOLT

SN: A51001-UP-UP

2шт.

21

419-06-21310

RELAY, SAFETY

SN: A51001-UP-UP

1шт.

22

01435-00612

BOLT

SN: A51001-UP-UP

2шт.

Выбрано товаров: 22