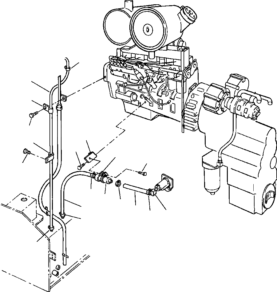
Запчасти Komatsu WA380-3MC FIG. D-A ТОПЛИВОПРОВОД. ТОПЛИВН. БАК. AND КОМПОНЕНТЫ

Схема запчастей Komatsu WA380-3MC - FIG. D-A ТОПЛИВОПРОВОД. ТОПЛИВН. БАК. AND КОМПОНЕНТЫ
12
11
14
13
5
14
6
4
7
13
2
3
9
1
8
10
9
2
12
FIT
1:1
100%

Артикул

Название

Примечание

Количество

1

HOSE - 18 IN.

SN: A51001-UP-UP

1шт.

2

07281-00167

CLAMP

SN: A51001-UP-UP

2шт.

3

207-04-A1100

STRAINER, FUEL LINE

SN: A51001-UP-UP

1шт.

4

23T-62-12160

CLIP, FUEL STRAINER MOUNTING

SN: A51001-UP-UP

1шт.

5

425-46-14130

PLATE

SN: A51001-UP-UP

1шт.

6

01435-01220

BOLT

SN: A51001-UP-UP

1шт.

7

01435-01020

BOLT

SN: A51001-UP-UP

1шт.

8

419-04-A1150

HOSE

SN: A51001-UP-UP

1шт.

9

07281-00167

CLAMP

SN: A51001-UP-UP

2шт.

10

864 457 R1

ELBOW

SN: A51001-UP-UP

1шт.

11

07288-10809

HOSE

SN: A51001-UP-UP

1шт.

12

07281-00167

CLAMP

SN: A51001-UP-UP

2шт.

13

01435-01016

BOLT

SN: A51001-UP-UP

2шт.

14

04434-51510

CLIP

SN: A51001-UP-UP

2шт.

|$14

423-04-A1160

HOSE, BULK

SN: A51001-UP-UP

-2шт.

|$15

-1шт.

|$16

F1 - CUT TO FIT FROM BULK HOSE.

-1шт.

|$17

-1шт.

Выбрано товаров: 0