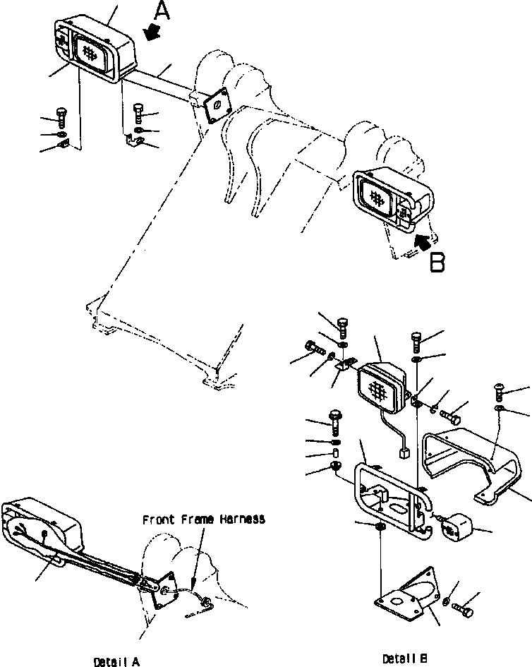
Запчасти Komatsu WA380-3MC FIG. E-A КРЕПЛЕНИЕ ФАР - ПЕРЕДНЯЯ ФАРА И КРЕПЛЕНИЕ ЭЛЕКТРИКА

Схема запчастей Komatsu WA380-3MC - FIG. E-A КРЕПЛЕНИЕ ФАР - ПЕРЕДНЯЯ ФАРА И КРЕПЛЕНИЕ ЭЛЕКТРИКА
24
27
9
12
12
13
13
11
10
1
7
8
19
7
8
20
5
21
25
21
6
20
18
26
4
17
14
15
23
16
22
3
2
28
FIT
1:1
100%

Артикул

Название

Примечание

Количество

1

421-06-22360

WIRING HARNESS

SN: A51001-UP-UP

2шт.

2

01010-81230

BOLT

SN: A51001-UP-UP

6шт.

3

01643-31232

WASHER

SN: A51001-UP-UP

6шт.

4

421-06-23522

BRACKET, L.H.

SN: A51001-UP-UP

1шт.

5

421-06-23552

PLATE

SN: A51001-UP-UP

1шт.

6

421-06-23630

PLATE, L.H.

SN: A51001-UP-UP

1шт.

7

01010-81025

BOLT

SN: A51001-UP-UP

2шт.

8

01643-31032

WASHER

SN: A51001-UP-UP

2шт.

9

421-06-23532

BRACKET, R.H.

SN: A51001-UP-UP

1шт.

10

421-06-23552

PLATE

SN: A51001-UP-UP

1шт.

11

421-06-23640

PLATE, R.H.

SN: A51001-UP-UP

1шт.

12

01010-81025

BOLT

SN: A51001-UP-UP

2шт.

13

01643-31032

WASHER

SN: A51001-UP-UP

2шт.

14

417-54-13470

SPACER

SN: A51001-UP-UP

6шт.

15

419-43-17930

CUSHION

SN: A51001-UP-UP

6шт.

16

415-64-13130

CUSHION

SN: A51001-UP-UP

6шт.

17

419-43-17920

WASHER

SN: A51001-UP-UP

6шт.

18

01435-01250

BOLT

SN: A51001-UP-UP

6шт.

19

424-06-23210

LAMP ASSEMBLY, HEAD

SN: A51001-UP-UP

2шт.

|$19

424-06-23220

LENS

SN: A51001-UP-UP

1шт.

|$20

424-06-23230

BULB - 75/70 W

SN: A51001-UP-UP

1шт.

20

01010-80825

BOLT

SN: A51001-UP-UP

2шт.

21

01602-20825

WASHER, SPRING

SN: A51001-UP-UP

2шт.

22

41G-06-13201

LAMP ASSEMBLY, TURN SIGNAL

SN: A51001-UP-UP

2шт.

|$24

41G-06-13210

LENS

SN: A51001-UP-UP

1шт.

|$25

41G-06-13220

LENS

SN: A51001-UP-UP

1шт.

|$26

41G-06-13230

BULB - 5 W

SN: A51001-UP-UP

1шт.

|$27

08105-12420

BULB - 25 W

SN: A51001-UP-UP

1шт.

|$28

01220-40425

SCREW

SN: A51001-UP-UP

4шт.

|$29

08021-00400

CONNECTOR

SN: A51001-UP-UP

2шт.

23

421-06-23611

COVER, L.H.

SN: A51001-UP-UP

1шт.

24

421-06-23621

COVER, R.H.

SN: A51001-UP-UP

1шт.

25

01220-40616

SCREW

SN: A51001-UP-UP

10шт.

26

01643-30623

WASHER

SN: A51001-UP-UP

10шт.

27

423-06-A1450

SUPPORT, R.H.

SN: A51001-UP-UP

1шт.

28

423-06-A1460

SUPPORT, L.H.

SN: A51001-UP-UP

1шт.

Выбрано товаров: 36