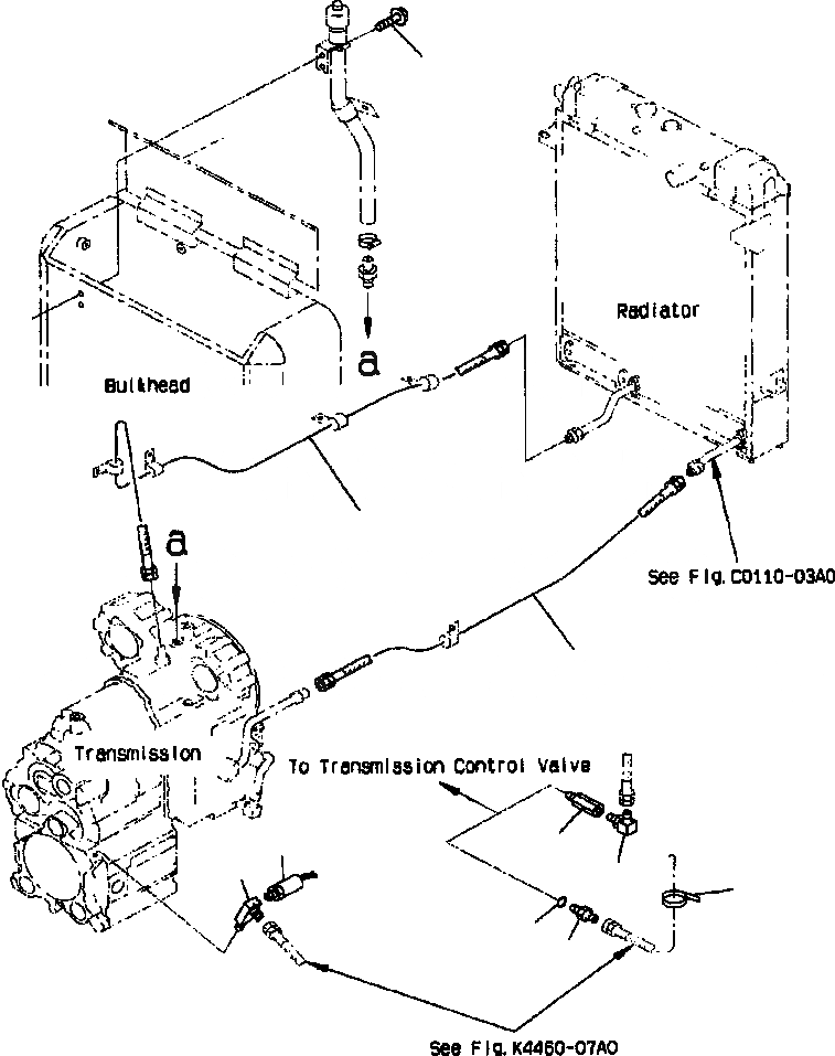
Запчасти Komatsu WA380-3MC FIG. F-A ТРАНСМИССИЯ - СТОЯНОЧНЫЙ ТОРМОЗ И ЛИНИИ МАСЛООХЛАДИТЕЛЯ СИЛОВАЯ ПЕРЕДАЧА И КОНЕЧНАЯ ПЕРЕДАЧА

Схема запчастей Komatsu WA380-3MC - FIG. F-A ТРАНСМИССИЯ - СТОЯНОЧНЫЙ ТОРМОЗ И ЛИНИИ МАСЛООХЛАДИТЕЛЯ СИЛОВАЯ ПЕРЕДАЧА И КОНЕЧНАЯ ПЕРЕДАЧА
10
9
8
7
5
1
4
6
3
2
FIT
1:1
100%

Артикул

Название

Примечание

Количество

1

421-43-27980

ELBOW

SN: A51001-UP-UP

1шт.

2

205-62-55270

NIPPLE

SN: A51001-UP-UP

1шт.

3

07002-11423

O-RING

SN: A51001-UP-UP

1шт.

4

19M-60-15320

ELBOW

SN: A51001-UP-UP

1шт.

5

419-43-27950

NIPPLE

SN: A51001-UP-UP

1шт.

6

935 522 C1

BAND

SN: A51001-UP-UP

1шт.

7

421-43-22941

SWITCH, PRESSURE

SN: A51001-UP-UP

1шт.

8

07102-21011

HOSE

SN: A51001-UP-UP

1шт.

9

07102-21022

HOSE

SN: A51001-UP-UP

1шт.

10

01435-01016

BOLT

SN: A51001-UP-UP

2шт.

Выбрано товаров: 10