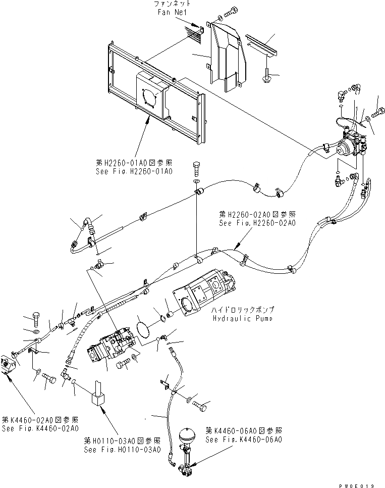
Запчасти Komatsu WA380-5 МОТОР ВЕНТИЛЯТОРА COVER ГИДРАВЛИКА

Схема запчастей Komatsu WA380-5 - МОТОР ВЕНТИЛЯТОРА COVER ГИДРАВЛИКА
1
1A
1B
2
3
4
5
6
7
8
9
10
11
12
13
14
15
16
17
18
19
20
21
22
23
24
24
25
26
27
28
29
30
31
32
33
34
35
36
FIT
1:1
100%

Артикул

Название

Примечание

Количество

1

708-1S-00230

PUMP ASS'Y

SN: 60001-UP

1шт.

1A

708-1W-28150

COUPLING

SN: 60221-UP

1шт.

1B

04065-02012

RING

SN: 60221-UP

1шт.

2

07000-12105

O-RING

SN: 60001-UP

1шт.

3

01010-81240

BOLT

SN: 60001-UP

4шт.

4

01643-31232

WASHER

SN: 60001-UP

4шт.

5

02782-10311

ELBOW

SN: 60001-UP

1шт.

6

02896-11009

O-RING

SN: 60001-UP

1шт.

7

07002-11423

O-RING

SN: 60001-UP

1шт.

8

423-62-31810

HOSE

SN: 61003-UP

1шт.

8

02754-00309

HOSE

SN: 60001-61002

1шт.

9

426-35-11590

BRACKET

SN: 60001-UP

1шт.

10

04434-51610

CLIP

SN: 60001-UP

1шт.

11

01010-81020

BOLT

SN: 60001-UP

1шт.

12

01643-31032

WASHER

SN: 60001-UP

1шт.

13

02782-10522

ELBOW

SN: 60001-UP

1шт.

14

02896-11015

O-RING

SN: 60001-UP

1шт.

15

07002-12434

O-RING

SN: 60001-UP

1шт.

16

424-62-34121

TUBE

SN: 60001-UP

1шт.

17

02896-11015

O-RING

SN: 60001-UP

1шт.

18

02782-10522

ELBOW

SN: 60001-UP

1шт.

19

02896-11015

O-RING

SN: 60001-UP

1шт.

20

07002-12434

O-RING

SN: 60001-UP

1шт.

21

424-62-34110

TEE

SN: 60001-UP

1шт.

22

07002-12034

O-RING

SN: 60001-UP

1шт.

23

07260-21450

HOSE

SN: 60001-UP

1шт.

24

09479-02400

CLAMP

SN: 60001-UP

2шт.

25

425-03-11420

PLATE

SN: 60001-UP

1шт.

26

01010-81020

BOLT

SN: 60001-UP

1шт.

27

01643-31032

WASHER

SN: 60001-UP

1шт.

28

04434-52210

CLIP

SN: 60001-UP

1шт.

29

01010-81020

BOLT

SN: 60001-UP

1шт.

30

01643-31032

WASHER

SN: 60001-UP

1шт.

31

421-03-31512

COVER,MOTOR

SN: 60001-UP

1шт.

32

421-03-31521

COVER

SN: 60001-UP

1шт.

33

01435-41016

BOLT

SN: 60001-UP

2шт.

34

04434-50510

CLIP

SN: 60119-60478

1шт.

35

01010-81020

BOLT

SN: 60119-60478

1шт.

36

01643-31032

WASHER

SN: 60119-60478

1шт.

Выбрано товаров: 39