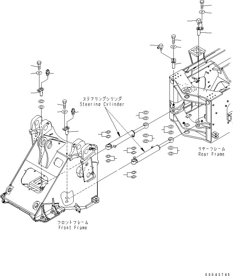
Запчасти Komatsu WA380-5 ЦИЛИНДР РУЛЕВ. УПР-Я (ПАЛЕЦ) (ДЛЯ АВТОМАТИЧ. СМАЗ.) ОСНОВНАЯ РАМА И ЕЕ ЧАСТИ

Схема запчастей Komatsu WA380-5 - ЦИЛИНДР РУЛЕВ. УПР-Я (ПАЛЕЦ) (ДЛЯ АВТОМАТИЧ. СМАЗ.) ОСНОВНАЯ РАМА И ЕЕ ЧАСТИ
1
1
1
1
2
2
2
2
3
3
3
3
4
4
4
4
5
5
5
5
6
6
7
7
FIT
1:1
100%

Артикул

Название

Примечание

Количество

1

423-46-21180

PIN

SN: 60001-UP

4шт.

2

01010-81220

BOLT

SN: 60001-UP

4шт.

3

175-54-34170

WASHER

SN: 60001-UP

4шт.

4

416-70-11351

SHIM, 1.0MM

SN: 60001-UP

8шт.

4

424-46-12541

SHIM, 0.5MM

SN: 60001-UP

8шт.

5

423-46-22171

SHIM, 1.0MM

SN: 60001-UP

8шт.

5

423-46-22181

SHIM, 0.5MM

SN: 60001-UP

8шт.

6

423-09-12110

CONNECTOR

SN: 60001-UP

2шт.

7

421-09-12540

ELBOW

SN: 60001-UP

2шт.

Выбрано товаров: 9